Меню |
|---|
Реклама |
|---|
Активные участники |
|---|
Часы |
|---|
Поиск |
|---|
Ссылка на наш сайт |
|---|
Кто сейчас на конференции |
|---|
Всего 9 посетителей :: 0 зарегистрированных, 0 скрытых и 9 гостей
Сейчас этот форум просматривают: нет зарегистрированных пользователей и 9 гостей |
Ссылки |
|---|
|
| Автор |
Сообщение |
|
Леша
|
|
| Не в сети |
| Старшина 1 статьи |
 |
Зарегистрирован: 18 ноя 2009, 21:10 Сообщения: 385
Имя: Алексей
Техника: Sea Doo GTX Limited 155 Bombardier
Откуда: Село у Волги до МКАД 674 км.
Благодарил (а): 2 раза
|
|
Проблемма с датчиком уровня, который находится в баке.Там поплавок, а на его оси скользящий контакт(плата).
На этой плате згорел маленький "резистор" ( фото пока нет, постораюсь завтра выложить). Подскажите, может кто знает маркировку?
Резистор находится самый первый с верху на плате. С права от него стоит обозначение F1.
Помню была тема подобная автора fatra3x с фото этой самой платы только с ХР.
Найти не получается
Буду признателен за помощь.
|
|
| Вернуться к началу |
|
 |
|
fim-92
|
|
| Не в сети |
| Адмирал флота |
 |
Зарегистрирован: 20 сен 2011, 09:12 Сообщения: 5218
Имя: Тимур
Техника: sea doo HX
Откуда: KZ, Кустанай
Поблагодарили: 5 раз
|
|
это не резистор, а предохранитель... на 0.15ампер помоему...
у меня он не сгорел, а тупо его "разъел" бензин...
закоротил тонкой проволочкой и залил толстым слоем эпоксидки...
но смотри, если ут тебя конкретно сгорел - значит замыкает где-то...
и просто коротить - опасно (сам понимаеш))))) можно поставить внешний предохрон, если такого маленького ненайдеш.
|
|
| Вернуться к началу |
|
 |
|
Леша
|
|
| Не в сети |
| Старшина 1 статьи |
 |
Зарегистрирован: 18 ноя 2009, 21:10 Сообщения: 385
Имя: Алексей
Техника: Sea Doo GTX Limited 155 Bombardier
Откуда: Село у Волги до МКАД 674 км.
Благодарил (а): 2 раза
|
У меня его тоже разъело, верхний слой этого предохранителя превратился в желе. Хотя может он и перегорел а потом облез или на оборот  В любом случае будем искать причину.
fim-92
СПАСИБО помогли!
|
|
| Вернуться к началу |
|
 |
|
fatra3x
|
|
| Не в сети |
| Капитан 2 ранга |
 |
Зарегистрирован: 29 сен 2009, 12:54 Сообщения: 2296
Имя: Александр
Техника: {PXP-255 RS} {KIA OPTIMA} {KIA CERATO} {Нептун + SUZUKI DT70} {Не большой завод :) }
Откуда: Сергиев Посад
Поблагодарили: 1 раз
|
|
Курим сначала по электрике! Если это предохранитель - да накуя он там в баке!!!!! Сначала включаем в цепь переменный резистор на 300 ом, вместо сдохшего, включаем прибор уровня, ну тоесть у гилдрика все делаем, и резистором ставим положение "топлива нет", и потом поднимая ползунок (хотя там должен быть магнит и герконы!), ставим положение "топливаа до отвала" если на индикаторе не совпадает - крутим резистор подбирая нужное положение, и так на максимуме и на минимуме проверяем. Далее когда все "настроено" - замеряем сопротивление переменника, и вешаем вместо сдохшего обычный резистор нужного номинала, если оно какоето бл*ядствое типа 13,3 ома - собираем из 2х резисторов - схему паралельного включения резисторов и формулу расчета - курите в гугле.
Мое имхо - предохранитель в баке - оно както неправильно! скорее всего это был резистор, и если гдето коротнуло он и сыграл роль предохранителя, т.к. они там и так на милиамперы по мощьности.....
Топикстартеру - не всегда советы всех - правильные, изучите мнения опонентов и сделайте ПРАВИЛЬНО, а не как советуют.....
_________________ Я ремонтирую водометы, нагнетатели, турбины, заменяю ремкомплекты. ТО + консервация двигателей гидров, катеров, яхт. Заправка авто кондиционеров. В ПМ! 
|
|
| Вернуться к началу |
|
 |
|
fim-92
|
|
| Не в сети |
| Адмирал флота |
 |
Зарегистрирован: 20 сен 2011, 09:12 Сообщения: 5218
Имя: Тимур
Техника: sea doo HX
Откуда: KZ, Кустанай
Поблагодарили: 5 раз
|
предохрон это, предохрон... предохроны обозначаются F, резисторы обозначаются R, резисторы, кторые играют роль предохронов, так называемые "разрывные" RF, RB, RP...
нахрена предохрон именно в баке поставили? - достаточно логично - ерепутал ктонить провода и подал +12 в бак... а там предохрон! как-то так...
сейчас еще повспоминал, там помоему на 0.05ампер...
fatra3x писал(а): Топикстартеру - не всегда советы всех - правильные
полностью согласен, к сожалению это бывает...
|
|
| Вернуться к началу |
|
 |
|
fim-92
|
|
| Не в сети |
| Адмирал флота |
 |
Зарегистрирован: 20 сен 2011, 09:12 Сообщения: 5218
Имя: Тимур
Техника: sea doo HX
Откуда: KZ, Кустанай
Поблагодарили: 5 раз
|
зы
fim-92 писал(а): можно поставить внешний предохрон, если такого маленького ненайдеш.
имел ввиду такого маленького наминала...
|
|
| Вернуться к началу |
|
 |
|
fim-92
|
|
| Не в сети |
| Адмирал флота |
 |
Зарегистрирован: 20 сен 2011, 09:12 Сообщения: 5218
Имя: Тимур
Техника: sea doo HX
Откуда: KZ, Кустанай
Поблагодарили: 5 раз
|
|
О, кста, придумал, как экспресс методом проверить)
снимаете разем, который к датчику идет от коробки, подключаете лампочку от габаритов ам, "включаете зажигание" - лампочка не должна гореть, а индикатор должен показать от 05 до полного бака...
|
|
| Вернуться к началу |
|
 |
|
fatra3x
|
|
| Не в сети |
| Капитан 2 ранга |
 |
Зарегистрирован: 29 сен 2009, 12:54 Сообщения: 2296
Имя: Александр
Техника: {PXP-255 RS} {KIA OPTIMA} {KIA CERATO} {Нептун + SUZUKI DT70} {Не большой завод :) }
Откуда: Сергиев Посад
Поблагодарили: 1 раз
|
fim-92";p="32370 писал(а): О, кста, придумал, как экспресс методом проверить) снимаете разем, который к датчику идет от коробки, подключаете лампочку от габаритов ам, "включаете зажигание" - лампочка не должна гореть, а индикатор должен показать от 05 до полного бака...
Катушка в нутри прибора - мсожет не быть расчитана на ток габаритной лампы.... а ежели разбирали такие индикаторы наверно представляете что там проволочка с сечением куйданикуя...
_________________ Я ремонтирую водометы, нагнетатели, турбины, заменяю ремкомплекты. ТО + консервация двигателей гидров, катеров, яхт. Заправка авто кондиционеров. В ПМ! 
|
|
| Вернуться к началу |
|
 |
|
fim-92
|
|
| Не в сети |
| Адмирал флота |
 |
Зарегистрирован: 20 сен 2011, 09:12 Сообщения: 5218
Имя: Тимур
Техника: sea doo HX
Откуда: KZ, Кустанай
Поблагодарили: 5 раз
|
|
просто на сколько я помню, когда разбирался в устройстве своего указателя топлива, там верхнее положение попловка соответствовало 0ом линейки.
ну для перестраховки, можно так: "включить зажигание" и быстро "толчком" подключить и отключить лампочку. или взять лампочку на 12в 60миллиампер. но в этом случае, возможно лампочка будет "тлеть" а индикатор покажет меньше 0.5бака.
|
|
| Вернуться к началу |
|
 |
|
Александр Владимирович
|
|
| Не в сети |
| Старшина 1 статьи |
 |
Зарегистрирован: 09 ноя 2010, 09:46 Сообщения: 472
Откуда: Астрахань
|
Я ваще поставил перемычку , и больше не парюсь . А на счёт того что в бак пойдёт 12 вольт это бред (оно и так там есть), по таму как в блоке управления стоят ключи не рэле а электронные которые включают и отключают все приборы и датчики на борту после втыка ключа зажигания в DESS . Так что если переполюсовать скорее наеб@ся блок управления чем взорвётся бак  ...... Я всё оборудование востанавливал на столе , и уровень топлива и VTS , и спидометр , у меня всё работало без блока управления , только акумулятор ,датчик , и прибор .....
_________________ Когда у тебя есть только молоток, все становится похоже на гвоздь.
|
|
| Вернуться к началу |
|
 |
|
fim-92
|
|
| Не в сети |
| Адмирал флота |
 |
Зарегистрирован: 20 сен 2011, 09:12 Сообщения: 5218
Имя: Тимур
Техника: sea doo HX
Откуда: KZ, Кустанай
Поблагодарили: 5 раз
|
Александр Владимирович писал(а): Так что если переполюсовать скорее наеб@ся блок управления чем взорвётся бак не, я имел ввиду - перепутает разъемы и воткнет в линейку напрямую 12в. Александр Владимирович писал(а): Я всё оборудование востанавливал на столе , и уровень топлива и VTS , и спидометр , у меня всё работало без блока управления , только акумулятор ,датчик , и прибор .....
да, эти простые приборы - автономны...
я вот тахометр на столе востанавливал...
|
|
| Вернуться к началу |
|
 |
|
Леша
|
|
| Не в сети |
| Старшина 1 статьи |
 |
Зарегистрирован: 18 ноя 2009, 21:10 Сообщения: 385
Имя: Алексей
Техника: Sea Doo GTX Limited 155 Bombardier
Откуда: Село у Волги до МКАД 674 км.
Благодарил (а): 2 раза
|
fim-92";p="32265 писал(а): это не резистор, а предохранитель... на 0.15ампер помоему... у меня он не сгорел, а тупо его "разъел" бензин... закоротил тонкой проволочкой и залил толстым слоем эпоксидки... но смотри, если ут тебя конкретно сгорел - значит замыкает где-то... и просто коротить - опасно (сам понимаеш))))) можно поставить внешний предохрон, если такого маленького ненайдеш.
Зделал все точно так. Все работает, показывает.
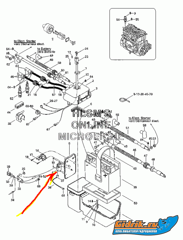
Парни подскажите что может быть, Поставил аккумулятор пытаюсь завестии , он начинает трещать (словно акумулятор дохлый) Звук исходит от блока катушки зажигания. Трещит вот эта Херня. ( фото) Что это? как устраняется?
| Вложения: |

Блок.gif [ 54 КБ | 9058 просмотров ]
|
|
|
| Вернуться к началу |
|
 |
|
fim-92
|
|
| Не в сети |
| Адмирал флота |
 |
Зарегистрирован: 20 сен 2011, 09:12 Сообщения: 5218
Имя: Тимур
Техника: sea doo HX
Откуда: KZ, Кустанай
Поблагодарили: 5 раз
|
|
не реле стартера часом???
если оно трещит - плохой контакт в проводе массы, в проводе +12в
плохой контакт может быть при совершенно внешне хороших проводах (в районе где провод входит в лепесток или клемму)
плохой контакт черьват ВЫХОДОМ ИЗ СТРОЯ ЭЛЕКТРОННОГО БЛОКА!!!
НУ ИЛИ АККУМ ВСЕТАКИ ИЗДОХ...
|
|
| Вернуться к началу |
|
 |
|
Леша
|
|
| Не в сети |
| Старшина 1 статьи |
 |
Зарегистрирован: 18 ноя 2009, 21:10 Сообщения: 385
Имя: Алексей
Техника: Sea Doo GTX Limited 155 Bombardier
Откуда: Село у Волги до МКАД 674 км.
Благодарил (а): 2 раза
|
|
| Вернуться к началу |
|
 |
|
fatra3x
|
|
| Не в сети |
| Капитан 2 ранга |
 |
Зарегистрирован: 29 сен 2009, 12:54 Сообщения: 2296
Имя: Александр
Техника: {PXP-255 RS} {KIA OPTIMA} {KIA CERATO} {Нептун + SUZUKI DT70} {Не большой завод :) }
Откуда: Сергиев Посад
Поблагодарили: 1 раз
|
Акум тестером проверить не ? не слышал....
Я уж молчу про нагрузочную вилку.... В юниксе в чебах делают на раз.... за 50р.
Есвли сдохло реле - воткни от скутера, оно стоит 300р в магазине запчестей для скутеров на николаева в чебах. Мощьность такаяже 
_________________ Я ремонтирую водометы, нагнетатели, турбины, заменяю ремкомплекты. ТО + консервация двигателей гидров, катеров, яхт. Заправка авто кондиционеров. В ПМ! 
|
|
| Вернуться к началу |
|
 |
Кто сейчас на конференции |
Сейчас этот форум просматривают: нет зарегистрированных пользователей и 9 гостей |
|
|
Вы не можете начинать темы Вы не можете отвечать на сообщения Вы не можете редактировать свои сообщения Вы не можете удалять свои сообщения Вы не можете добавлять вложения
|
|