Меню |
|---|
Реклама |
|---|
Активные участники |
|---|
Часы |
|---|
Поиск |
|---|
Ссылка на наш сайт |
|---|
Кто сейчас на конференции |
|---|
Всего 1 посетитель :: 0 зарегистрированных, 0 скрытых и 1 гость
Сейчас этот форум просматривают: нет зарегистрированных пользователей и 1 гость |
Ссылки |
|---|
|
| Автор |
Сообщение |
|
Dr.volgar
|
|
Зарегистрирован: 13 авг 2013, 11:11 Сообщения: 36
|
|
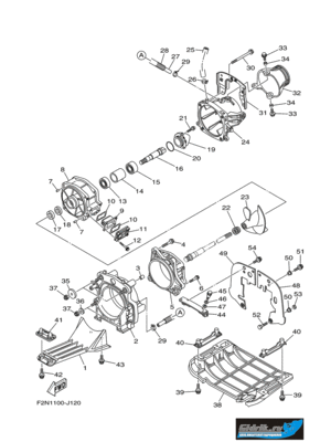
Друзья, подскажите когда менять подшипники вала, те что на картинке 13 и 15 ? Гидрик прошел 215 м\ч Спасибо!!!
| Вложения: |

1.gif [ 158.18 КБ | 8933 просмотра ]
|
|
|
| Вернуться к началу |
|
 |
|
Pantelei
|
|
| Не в сети |
| Старшина 1 статьи |
 |
Зарегистрирован: 27 май 2012, 22:15 Сообщения: 297
Имя: Дмитрий
Техника: Badger 370 + Tahatsu 15; VX 1100
Откуда: Краснодар
Благодарил (а): 1 раз Поблагодарили: 1 раз
|
|
А какая причина для замены? У меня пробег был 290 когда разбирал,менял винт, так там все блестело как золото и не грамма люфта! А у тебя что ?
|
|
| Вернуться к началу |
|
 |
|
Dr.volgar
|
|
Зарегистрирован: 13 авг 2013, 11:11 Сообщения: 36
|
|
Зазор в паре (винт и кольцо) вывел в 0,2мм. Вот и думаю поменять подшипники, чтобы не разбило.
|
|
| Вернуться к началу |
|
 |
|
petrycho
|
|
| Не в сети |
| Вице-адмирал |
 |
Зарегистрирован: 15 фев 2016, 21:13 Сообщения: 3034
Имя: Пётр
Техника: Sunbird Saturn-170. Jolion. Sea-Doo Spark. ПЛМ Салют-Э.
Откуда: Липецк
Благодарил (а): 88 раз Поблагодарили: 122 раза
|
|
а химик знакомый есть?
_________________ Опыт, как и половое бессилие, приходит с годами. _____________________________________________________ 
|
|
| Вернуться к началу |
|
 |
|
petrycho
|
|
| Не в сети |
| Вице-адмирал |
 |
Зарегистрирован: 15 фев 2016, 21:13 Сообщения: 3034
Имя: Пётр
Техника: Sunbird Saturn-170. Jolion. Sea-Doo Spark. ПЛМ Салют-Э.
Откуда: Липецк
Благодарил (а): 88 раз Поблагодарили: 122 раза
|
|
масла , присадки и прочее, вот для чего. Я такие люфты лечу быстро и надолго...главное, чтобы не было физических разрушений. Супратек и прочее магазинное это говно и дорогое. Неужели нет своего Коли, Васи, Саши-химика в граде вашем неизвестном нам, ибо профиль пуст?
_________________ Опыт, как и половое бессилие, приходит с годами. _____________________________________________________ 
|
|
| Вернуться к началу |
|
 |
|
Dr.volgar
|
|
Зарегистрирован: 13 авг 2013, 11:11 Сообщения: 36
|
|
Таких не знаю. Я думаю что проще поменять на оригинал!!!!
|
|
| Вернуться к началу |
|
 |
|
petrycho
|
|
| Не в сети |
| Вице-адмирал |
 |
Зарегистрирован: 15 фев 2016, 21:13 Сообщения: 3034
Имя: Пётр
Техника: Sunbird Saturn-170. Jolion. Sea-Doo Spark. ПЛМ Салют-Э.
Откуда: Липецк
Благодарил (а): 88 раз Поблагодарили: 122 раза
|
|
Ямаха подшипники не производит, просто кладет в свои коробки. Там будет koyo лежать, коих море в наличии в спец магазинах. Я про то, чтобы платить за открытый 306-й ( скорее всего) подшипник 2000 р.
_________________ Опыт, как и половое бессилие, приходит с годами. _____________________________________________________ 
|
|
| Вернуться к началу |
|
 |
|
Dr.volgar
|
|
Зарегистрирован: 13 авг 2013, 11:11 Сообщения: 36
|
|
Их там два? А какие сальники?
|
|
| Вернуться к началу |
|
 |
|
holod-nsk
|
|
| Не в сети |
| Младший лейтенант |
Зарегистрирован: 31 мар 2016, 19:42 Сообщения: 1235
Имя: Костян
Техника: Yamaha vx1100 ,Yamaha FX HO 1800 , снегоход yamaha rx1 mtx 174 ,subaru outbeack , фмник FX37
Откуда: Новосибирск
Благодарил (а): 6 раз Поблагодарили: 54 раза
|
Dr.volgar писал(а): Зазор в паре (винт и кольцо) вывел в 0,2мм. Вот и думаю поменять подшипники, чтобы не разбило. Дак ты проверь на предмет осевого люфта , если есь меняй на любые импротные подходящие по размеру , а если нет люфта то смысл заморачиваться ! Две десятки осевого люфта это прилично и ты бы его сразу заметил , а так винт до кольца просто не достанет ! Кстати раскажи что сделал с винтом и кольцом , тоже хочу заморочится этим а то у меня уже 0.6 зазор
|
|
| Вернуться к началу |
|
 |
|
Игорь73
|
|
| Не в сети |
| Старший лейтенант |
 |
Зарегистрирован: 04 июн 2013, 12:33 Сообщения: 1720
Имя: Игорь
Техника: Катер BRP с двумя моторами по 85л.с.
Откуда: Ростовская обл.
Поблагодарили: 31 раз
|
|
Подшипники 205 стоят. Цена от 60р до 317р Если разобрал,замени. Сальника два у меня стояло. Один 30р другой 70р
|
|
| Вернуться к началу |
|
 |
|
holod-nsk
|
|
| Не в сети |
| Младший лейтенант |
Зарегистрирован: 31 мар 2016, 19:42 Сообщения: 1235
Имя: Костян
Техника: Yamaha vx1100 ,Yamaha FX HO 1800 , снегоход yamaha rx1 mtx 174 ,subaru outbeack , фмник FX37
Откуда: Новосибирск
Благодарил (а): 6 раз Поблагодарили: 54 раза
|
|
Лучше бы вместо 205ого поставить импортный аналог
|
|
| Вернуться к началу |
|
 |
|
Игорь73
|
|
| Не в сети |
| Старший лейтенант |
 |
Зарегистрирован: 04 июн 2013, 12:33 Сообщения: 1720
Имя: Игорь
Техника: Катер BRP с двумя моторами по 85л.с.
Откуда: Ростовская обл.
Поблагодарили: 31 раз
|
|
Так китай стоит 60р Самара 70р Словакия 170р . А 317р не помню чей он
|
|
| Вернуться к началу |
|
 |
|
Dr.volgar
|
|
Зарегистрирован: 13 авг 2013, 11:11 Сообщения: 36
|
|
Я отдал на проточку кольцо (только не в токарном, так как ты не угадаешь с геометрией, а славили на фрезеровочный, крепил кольцо болтами которые его крепят к корпусу, так сохраняться геометрия) потом наварил винт обточили на токарном под размер который тебе надо у меня 0,2мм, вывел все неровности напильником и болгаркой и все. Вот сижу думаю менять подшипники или нет, так как зазор мал а люфт все равно будет, думаю может разбиль.
|
|
| Вернуться к началу |
|
 |
Кто сейчас на конференции |
Сейчас этот форум просматривают: нет зарегистрированных пользователей и 1 гость |
|
|
Вы не можете начинать темы Вы не можете отвечать на сообщения Вы не можете редактировать свои сообщения Вы не можете удалять свои сообщения Вы не можете добавлять вложения
|
|