Меню |
|---|
Реклама |
|---|
Активные участники |
|---|
Часы |
|---|
Поиск |
|---|
Ссылка на наш сайт |
|---|
Кто сейчас на конференции |
|---|
Всего 4 посетителя :: 0 зарегистрированных, 0 скрытых и 4 гостя
Сейчас этот форум просматривают: нет зарегистрированных пользователей и 4 гостя |
Ссылки |
|---|
|
| Автор |
Сообщение |
|
Eco
|
|
| Не в сети |
| Старшина 1 статьи |
 |
Зарегистрирован: 30 июл 2017, 13:04 Сообщения: 221
Имя: Евгений
Техника: Kawasaki ZXi 900,Kawasaki SS Xi ,Ski-Doo Formula 3 600, Polaris Dragon 800 RMK 155
Откуда: Красноярск
Поблагодарили: 3 раза
|
|
Старый в герметосе? Или так потрахало его?
|
|
| Вернуться к началу |
|
 |
|
Alpinev
|
|
| Не в сети |
| Старший мичман |
 |
Зарегистрирован: 02 июл 2016, 17:40 Сообщения: 1037
Имя: Виталий
Откуда: Хабаровск
Благодарил (а): 66 раз Поблагодарили: 50 раз
|
|
в герметике он. мне б.у пришел с америки, тот который потеряли))) во прикол, а я за него деньги вернул уже у продавца!!!))) ахаха. так что кому надо могу по сходной цене отдать ))) они везде одинаковые 650 750 900 1100 ультра ит.д
|
|
| Вернуться к началу |
|
 |
|
Eco
|
|
| Не в сети |
| Старшина 1 статьи |
 |
Зарегистрирован: 30 июл 2017, 13:04 Сообщения: 221
Имя: Евгений
Техника: Kawasaki ZXi 900,Kawasaki SS Xi ,Ski-Doo Formula 3 600, Polaris Dragon 800 RMK 155
Откуда: Красноярск
Поблагодарили: 3 раза
|
|
Я же говорю: РУССКИЕ!!! КРУТО!!! Я пока так со спектремом покатаюсь. Осенью начну делать кузов и т.д. понадобится)))
|
|
| Вернуться к началу |
|
 |
|
Anatoliy11
|
|
| Не в сети |
| Контр-адмирал |
 |
Зарегистрирован: 30 июн 2016, 09:13 Сообщения: 2628
Имя: Анатолий
Техника: Мотороллер с фаркопом
Откуда: Харьков обл.
Благодарил (а): 30 раз Поблагодарили: 156 раз
|
Alpinev писал(а): во прикол, а я за него деньги вернул уже у продавца!!!))) ахаха.  чисто русский бизнес 
_________________ "Лучше пару раз по разу:- чем ни разу много раз")) настройка карбюраторов ссылка нижеhttp://www.pwctoday.com/showthread.php?t=62278
|
|
| Вернуться к началу |
|
 |
|
Eco
|
|
| Не в сети |
| Старшина 1 статьи |
 |
Зарегистрирован: 30 июл 2017, 13:04 Сообщения: 221
Имя: Евгений
Техника: Kawasaki ZXi 900,Kawasaki SS Xi ,Ski-Doo Formula 3 600, Polaris Dragon 800 RMK 155
Откуда: Красноярск
Поблагодарили: 3 раза
|
|
Виталя помощь надо по зажиганию. Прочитал твой пост про зажигание. Чем мерил и как? Чем в смысле ом или ком? Я по мануалу понять не могу нифига. Там и плюсы и минусы и разные значения...поясни как правильно читать данные в мануале...вроде я не тупой,но как- о затык((((
|
|
| Вернуться к началу |
|
 |
|
Alpinev
|
|
| Не в сети |
| Старший мичман |
 |
Зарегистрирован: 02 июл 2016, 17:40 Сообщения: 1037
Имя: Виталий
Откуда: Хабаровск
Благодарил (а): 66 раз Поблагодарили: 50 раз
|
|
Я собрал все добро свое. В винте уменьшился зазор.т.к подшипник стал как надо без перекоса. Внутри была кстати вода. Ну теперь надеюсь поедет и ссать внутрь кузова не будет.
|
|
| Вернуться к началу |
|
 |
|
Alpinev
|
|
| Не в сети |
| Старший мичман |
 |
Зарегистрирован: 02 июл 2016, 17:40 Сообщения: 1037
Имя: Виталий
Откуда: Хабаровск
Благодарил (а): 66 раз Поблагодарили: 50 раз
|
Eco писал(а): Виталя помощь надо по зажиганию. Прочитал твой пост про зажигание. Чем мерил и как? Чем в смысле ом или ком? Я по мануалу понять не могу нифига. Там и плюсы и минусы и разные значения...поясни как правильно читать данные в мануале...вроде я не тупой,но как- о затык(((( В схемах щас не разберусь с телефона. Надо смотреть на работе на компе. Ты скинь мануал свой. И в чем вопрос конкретно у тебя? Как написано в мануале так и должно быть
|
|
| Вернуться к началу |
|
 |
|
Eco
|
|
| Не в сети |
| Старшина 1 статьи |
 |
Зарегистрирован: 30 июл 2017, 13:04 Сообщения: 221
Имя: Евгений
Техника: Kawasaki ZXi 900,Kawasaki SS Xi ,Ski-Doo Formula 3 600, Polaris Dragon 800 RMK 155
Откуда: Красноярск
Поблагодарили: 3 раза
|
|
Вопрос: что там за два столбца и плюс и минус? Это мультиметром надо именно плюсом и минусом? И это на ом или ком?
|
|
| Вернуться к началу |
|
 |
|
Eco
|
|
| Не в сети |
| Старшина 1 статьи |
 |
Зарегистрирован: 30 июл 2017, 13:04 Сообщения: 221
Имя: Евгений
Техника: Kawasaki ZXi 900,Kawasaki SS Xi ,Ski-Doo Formula 3 600, Polaris Dragon 800 RMK 155
Откуда: Красноярск
Поблагодарили: 3 раза
|
|
Сори что поздно беспокою,но горит очень. Аж сидеть не могу.
|
|
| Вернуться к началу |
|
 |
|
Alpinev
|
|
| Не в сети |
| Старший мичман |
 |
Зарегистрирован: 02 июл 2016, 17:40 Сообщения: 1037
Имя: Виталий
Откуда: Хабаровск
Благодарил (а): 66 раз Поблагодарили: 50 раз
|
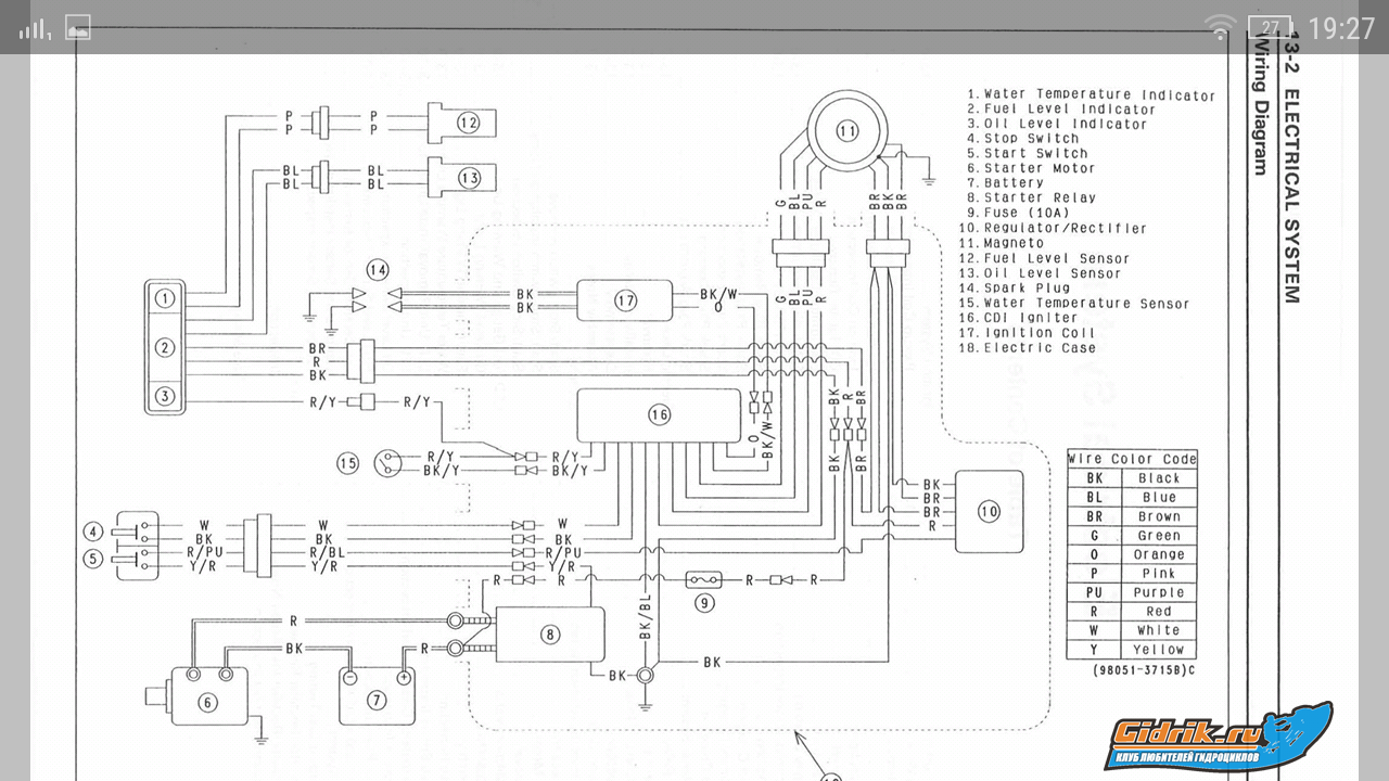
Eco писал(а): Вопрос: что там за два столбца и плюс и минус? Это мультиметром надо именно плюсом и минусом? И это на ом или ком? Кинь сюда скан схемы. Я посмотрю
|
|
| Вернуться к началу |
|
 |
|
Alpinev
|
|
| Не в сети |
| Старший мичман |
 |
Зарегистрирован: 02 июл 2016, 17:40 Сообщения: 1037
Имя: Виталий
Откуда: Хабаровск
Благодарил (а): 66 раз Поблагодарили: 50 раз
|
|
Все так же. Нужно встать тестером плюсовым на такой то провод и минусовым на такой то. Если провода при смене полярностей совпали только наоборот. То смотри значение которое написано в мануале. Все там понятно. Там омы.
|
|
| Вернуться к началу |
|
 |
|
Eco
|
|
| Не в сети |
| Старшина 1 статьи |
 |
Зарегистрирован: 30 июл 2017, 13:04 Сообщения: 221
Имя: Евгений
Техника: Kawasaki ZXi 900,Kawasaki SS Xi ,Ski-Doo Formula 3 600, Polaris Dragon 800 RMK 155
Откуда: Красноярск
Поблагодарили: 3 раза
|
|
Тоесть: мерить и плюс минус и минус плюс.такда?
|
|
| Вернуться к началу |
|
 |
|
Eco
|
|
| Не в сети |
| Старшина 1 статьи |
 |
Зарегистрирован: 30 июл 2017, 13:04 Сообщения: 221
Имя: Евгений
Техника: Kawasaki ZXi 900,Kawasaki SS Xi ,Ski-Doo Formula 3 600, Polaris Dragon 800 RMK 155
Откуда: Красноярск
Поблагодарили: 3 раза
|
|
Одно из двух должно быть тем что надо. Правильно?
|
|
| Вернуться к началу |
|
 |
Кто сейчас на конференции |
Сейчас этот форум просматривают: нет зарегистрированных пользователей и 4 гостя |
|
|
Вы не можете начинать темы Вы не можете отвечать на сообщения Вы не можете редактировать свои сообщения Вы не можете удалять свои сообщения Вы не можете добавлять вложения
|
|