Меню |
|---|
Реклама |
|---|
Активные участники |
|---|
Часы |
|---|
Поиск |
|---|
Ссылка на наш сайт |
|---|
Кто сейчас на конференции |
|---|
Всего 1 посетитель :: 0 зарегистрированных, 0 скрытых и 1 гость
Сейчас этот форум просматривают: нет зарегистрированных пользователей и 1 гость |
Ссылки |
|---|
|
| Автор |
Сообщение |
|
Render007
|
|
Зарегистрирован: 14 авг 2022, 19:30 Сообщения: 17
Имя: Александр
Техника: Kawasaki XI 750
|
|
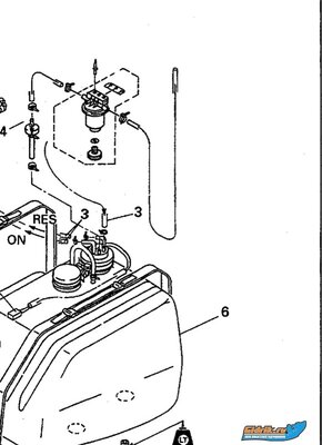
Помогите разобратся куда идет этот шланг (отмечен стрелкой) он у меня отрезан и висит в воздухе ну и топливо в карб не поступает. Старый хозяин не пользовался гидриком. Если в карб чуть бенза капнуть то заводится но глохнет так как бенз не поступает из бензошланга.Фильтр тоже не задействован он сухой и от него отходит шланг и висит в воздухе не подключеный. Остальные шланги по мануалу все подключены.Помогите может кто фото сделате у кого такой же гидрач
| Вложения: |
Комментарий к файлу: Помогите разобратся куда идет этот шланг он у меня отрезан и висит в воздухе ну и топливо в карб не поступает. Старый хозяин не пользовался гидриком

IMG_81234.jpg [ 2.7 МБ | 25316 просмотров ]
|
Последний раз редактировалось Render007 15 авг 2022, 16:26, всего редактировалось 1 раз.
|
|
| Вернуться к началу |
|
 |
|
Render007
|
|
Зарегистрирован: 14 авг 2022, 19:30 Сообщения: 17
Имя: Александр
Техника: Kawasaki XI 750
|
|
Так никто подсказать не может назначение этого шланга?
|
|
| Вернуться к началу |
|
 |
|
Anatoliy11
|
|
| Не в сети |
| Контр-адмирал |
 |
Зарегистрирован: 30 июн 2016, 09:13 Сообщения: 2628
Имя: Анатолий
Техника: Мотороллер с фаркопом
Откуда: Харьков обл.
Благодарил (а): 30 раз Поблагодарили: 156 раз
|
|
Могу канечно и ошибаться - мало знаком с кави. С фильтра на карбы с карба обратка! Не могли вы попутвть местами?
_________________ "Лучше пару раз по разу:- чем ни разу много раз")) настройка карбюраторов ссылка нижеhttp://www.pwctoday.com/showthread.php?t=62278
|
|
| Вернуться к началу |
|
 |
|
Олег23
|
|
| Не в сети |
| Главный корабельный старшина |
Зарегистрирован: 05 сен 2016, 05:36 Сообщения: 809
Имя: Олег
Техника: Yamaha gp1200R 2000 год
Откуда: Владивосток
Благодарил (а): 15 раз Поблагодарили: 41 раз
|
|
Это влагоотделитель. Этот шланг идет куда то под щиток. Роли не играет
|
|
| Вернуться к началу |
|
 |
|
Render007
|
|
Зарегистрирован: 14 авг 2022, 19:30 Сообщения: 17
Имя: Александр
Техника: Kawasaki XI 750
|
|
Спасибо за подсказку я всю голову сломал куда он должен идти. А еще такой момент в этом влагоотделителе на корпусе внизу много маленьких отверстий, так и должно быть и должно ли в нем что то быть залито?
|
|
| Вернуться к началу |
|
 |
|
Render007
|
|
Зарегистрирован: 14 авг 2022, 19:30 Сообщения: 17
Имя: Александр
Техника: Kawasaki XI 750
|
Anatoliy11 писал(а): Могу канечно и ошибаться - мало знаком с кави. С фильтра на карбы с карба обратка! Не могли вы попутвть местами? Как бы все остальное подключено по схеме а этот в воздухе висит
|
|
| Вернуться к началу |
|
 |
|
pro100soska
|
|
Зарегистрирован: 30 мар 2022, 09:13 Сообщения: 2
Имя: Константин
Техника: Kawasaki 750 SS XI
|
|
Привет. Пиши в вотсап. Сам недавно восстановил 750ку супер спорт, могу подсказать что как 8917пять64семь00семь
|
|
| Вернуться к началу |
|
 |
|
Render007
|
|
Зарегистрирован: 14 авг 2022, 19:30 Сообщения: 17
Имя: Александр
Техника: Kawasaki XI 750
|
pro100soska писал(а): Привет. Пиши в вотсап. Сам недавно восстановил 750ку супер спорт, могу подсказать что как 8917пять64семь00семь ок спасибо
|
|
| Вернуться к началу |
|
 |
|
Render007
|
|
Зарегистрирован: 14 авг 2022, 19:30 Сообщения: 17
Имя: Александр
Техника: Kawasaki XI 750
|
pro100soska писал(а): Привет. Пиши в вотсап. Сам недавно восстановил 750ку супер спорт, могу подсказать что как 8917пять64семь00семь номер телефона не тот вы видимо написали)))
|
|
| Вернуться к началу |
|
 |
|
Render007
|
|
Зарегистрирован: 14 авг 2022, 19:30 Сообщения: 17
Имя: Александр
Техника: Kawasaki XI 750
|
Олег23 писал(а): Это влагоотделитель. Этот шланг идет куда то под щиток. Роли не играет но он зачем то нужен?
|
|
| Вернуться к началу |
|
 |
|
Anatoliy11
|
|
| Не в сети |
| Контр-адмирал |
 |
Зарегистрирован: 30 июн 2016, 09:13 Сообщения: 2628
Имя: Анатолий
Техника: Мотороллер с фаркопом
Откуда: Харьков обл.
Благодарил (а): 30 раз Поблагодарили: 156 раз
|
Render007 писал(а): Олег23 писал(а): Это влагоотделитель. Этот шланг идет куда то под щиток. Роли не играет но он зачем то нужен? Конечно нужен)), он стоит после клапана вентиляции бака как на схеме выше но, это не монтажная схема, это схема поочерёдности сборки. Цэль влогоотделителя при перевороте лодки и возврате в исходное... отделить воду(своего рода отстойник воды от воздуха). Бак должен дышать клапан (двухсторонний при избыточном давлении в баке газов, сбрасывает давление) впускает воздух в бак при расходе топлива иначе будет вакуум в баке. На прелогаемой схеме монтажная укладка (важно)) с влого... шлангчик уходит в низ корпуса лодки и поднимается в верх к фитингу создавая (гидрозатвор) где-то под приборкойно или), не из вашего мануала. Принцип работы у всех одинаков!! Вы спрашивали за насверленые дырочки в корпусе подключения этого шланга или во влого отстойнике насверлино..?, это своего рода грубый фильтр!
| Вложения: |

20220822_004910.jpg [ 76.01 КБ | 24941 просмотр ]
|
_________________ "Лучше пару раз по разу:- чем ни разу много раз")) настройка карбюраторов ссылка нижеhttp://www.pwctoday.com/showthread.php?t=62278
|
|
| Вернуться к началу |
|
 |
|
Anatoliy11
|
|
| Не в сети |
| Контр-адмирал |
 |
Зарегистрирован: 30 июн 2016, 09:13 Сообщения: 2628
Имя: Анатолий
Техника: Мотороллер с фаркопом
Откуда: Харьков обл.
Благодарил (а): 30 раз Поблагодарили: 156 раз
|
|
P.S. но выше сказанное ни как не относится к непостаплению топлива в карбы, за исключене этот эфект проявляетя на рабочем двигателе. При полном баке будет раньше. Опять-же бедой всему этому будет клапан вентиляции...! Проверяется приоткрытием крышки бензобака, тобишь катаешь глохнет открыл... и норм - (создаётся вакуум). В вашем случае ли-бо 1)- топ насос мёртв. 2)- лепестковые клапана не создаюм уплотнение. 3)- зажаты игольчатые клапана в карбах. В общем проверка всего начиная с бензобака.
_________________ "Лучше пару раз по разу:- чем ни разу много раз")) настройка карбюраторов ссылка нижеhttp://www.pwctoday.com/showthread.php?t=62278
|
|
| Вернуться к началу |
|
 |
|
Render007
|
|
Зарегистрирован: 14 авг 2022, 19:30 Сообщения: 17
Имя: Александр
Техника: Kawasaki XI 750
|
|
Спасибо за помощь,а я всю топливную систему заменил, шланги фильтры, бак снял помыл)))). И о чудо он стал заводится но образовалась следующая проблема, обратил внимание на то, что сбоку карба хреначит бензин там где переходной шланг на второй карб. Снял карбы разобрал помыл вроде по инструкции все выставил но есть вопрос.Карбы ставятся на место через прокладку или на герметик? Виктор Реинз купил для прокладок герметик и вот думаю нужны прокладки ли нет подскажите
|
|
| Вернуться к началу |
|
 |
|
Render007
|
|
Зарегистрирован: 14 авг 2022, 19:30 Сообщения: 17
Имя: Александр
Техника: Kawasaki XI 750
|
Anatoliy11 писал(а): P.S. но выше сказанное ни как не относится к непостаплению топлива в карбы, за исключене этот эфект проявляетя на рабочем двигателе. При полном баке будет раньше. Опять-же бедой всему этому будет клапан вентиляции...! Проверяется приоткрытием крышки бензобака, тобишь катаешь глохнет открыл... и норм - (создаётся вакуум). В вашем случае ли-бо 1)- топ насос мёртв. 2)- лепестковые клапана не создаюм уплотнение. 3)- зажаты игольчатые клапана в карбах. В общем проверка всего начиная с бензобака. Простите а что за топ насос? Что за лепестковые клапана? они стоят в карбах ? Извините за тупизну
|
|
| Вернуться к началу |
|
 |
|
Anatoliy11
|
|
| Не в сети |
| Контр-адмирал |
 |
Зарегистрирован: 30 июн 2016, 09:13 Сообщения: 2628
Имя: Анатолий
Техника: Мотороллер с фаркопом
Откуда: Харьков обл.
Благодарил (а): 30 раз Поблагодарили: 156 раз
|
|
В вашем первом посте упомянуто, - ( остальное по мануалу))! Вы мануал) читали, глазами видели страници? Лжецов и лентяев с подобными вопросами на форуме не приветствуют) и игнорируют!!!! ...(Топливный насос) Лепестковый клапан устанавливается на впуске в кирвошипный (насос))) 2т ДВС! Мануал изучение вас спасёт!!!
Олег 23 разрули топику! Я в погреб!!!
_________________ "Лучше пару раз по разу:- чем ни разу много раз")) настройка карбюраторов ссылка нижеhttp://www.pwctoday.com/showthread.php?t=62278
|
|
| Вернуться к началу |
|
 |
Кто сейчас на конференции |
Сейчас этот форум просматривают: нет зарегистрированных пользователей и 1 гость |
|
|
Вы не можете начинать темы Вы не можете отвечать на сообщения Вы не можете редактировать свои сообщения Вы не можете удалять свои сообщения Вы не можете добавлять вложения
|
|