Текущее время: 12 янв 2026, 04:17

Часовой пояс: UTC+03:00


 Меню

 Реклама

 Активные участники
Имя пользователя Сообщения
igor sea-doo 6376
fim-92 5218
Raider 4496
grigoryan 3446
Andman 3381

 Часы

 Поиск


Расширенный поиск

 Ссылка на наш сайт
Если хотите разместить ссылку на Гидрик.ру - Клуб любителей гидроциклов и другой техники для активного отдыха, используйте этот HTML-код:


 Кто сейчас на конференции
Всего 5 посетителей :: 0 зарегистрированных, 0 скрытых и 5 гостей

Сейчас этот форум просматривают: нет зарегистрированных пользователей и 5 гостей

 Ссылки
 www.nakley-ka.ru - мы делаем наклейки
 www.Relax-boat.ru - Ваш отдых на воде



Начать новую тему  Ответить на тему  [ 321 сообщение ]  На страницу Пред. 1 2 3 4 522 След.
Автор Сообщение
 Заголовок сообщения:
СообщениеДобавлено: 03 июл 2012, 11:37 
Не в сети
Старшина 1 статьи
Аватара пользователя

Зарегистрирован: 19 сен 2011, 17:32
Сообщения: 236
Откуда: Алушта
Еее ))
Как с вами связаться в Москве?
Есть варианты отправить в Украину (Крым) ?


Вернуться к началу
 Заголовок сообщения:
СообщениеДобавлено: 03 июл 2012, 11:56 
Не в сети
Старшина 1 статьи

Зарегистрирован: 29 июн 2012, 14:35
Сообщения: 150
Откуда: Москва
RusSski";p="40597 писал(а):
Еее ))
Как с вами связаться в Москве?
Есть варианты отправить в Украину (Крым) ?


Варианты есть.
Подробности - в ЛС.


Вернуться к началу
 Заголовок сообщения:
СообщениеДобавлено: 03 июл 2012, 12:38 
Не в сети
Старшина 1 статьи
Аватара пользователя

Зарегистрирован: 19 сен 2011, 17:32
Сообщения: 236
Откуда: Алушта
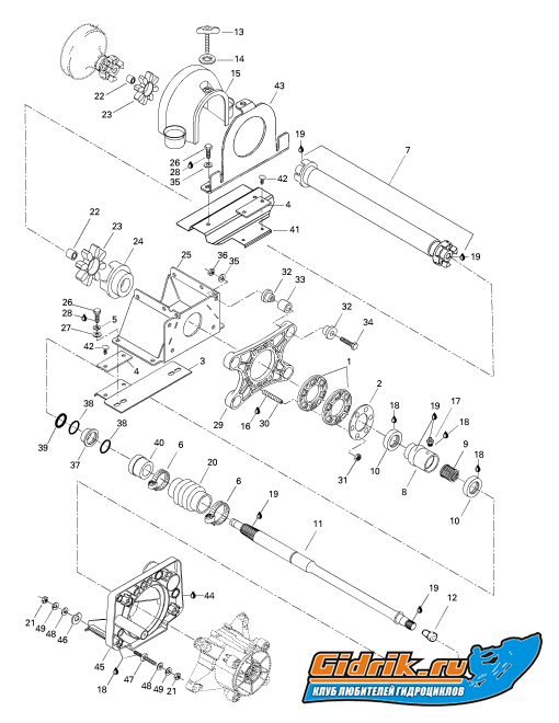
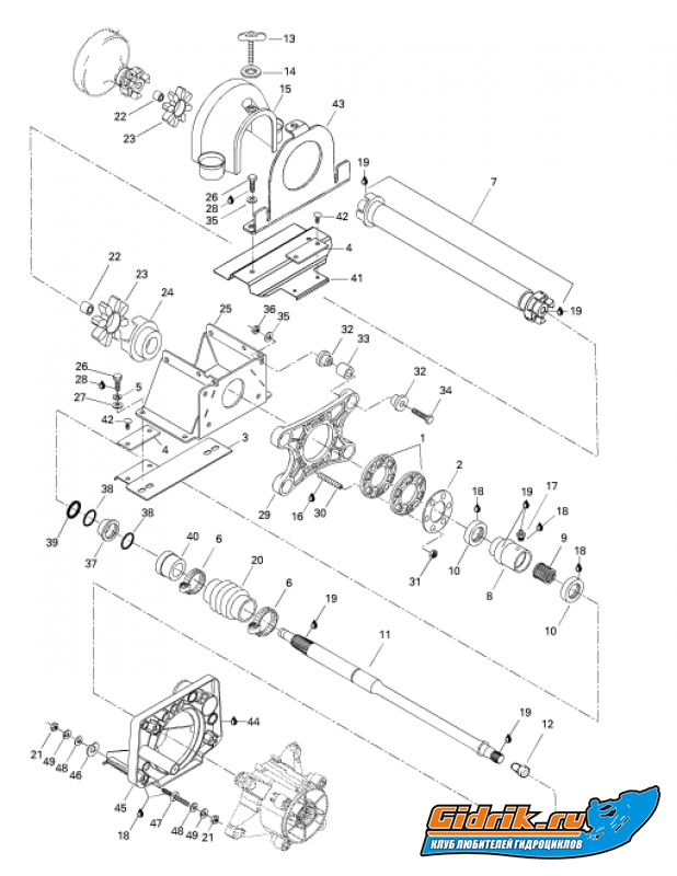
Интересуют еще позиции 22 и 24 . Есть в наличии?
Гидрик Sea Doo HX 1997 г.


Вложения:
1.png
1.png [ 75.27 КБ | 6703 просмотра ]
Вернуться к началу
 Заголовок сообщения:
СообщениеДобавлено: 03 июл 2012, 12:54 
Не в сети
Старшина 1 статьи

Зарегистрирован: 29 июн 2012, 14:35
Сообщения: 150
Откуда: Москва
RusSski";p="40609 писал(а):
Интересуют еще позиции 22 и 24 . Есть в наличии?
Гидрик Sea Doo HX 1997 г.


Этих, к сожалению, нет.
Заказ 24 дня.


Вернуться к началу
 Заголовок сообщения:
СообщениеДобавлено: 04 июл 2012, 15:26 
Не в сети
Старшина 1 статьи

Зарегистрирован: 29 июн 2012, 14:35
Сообщения: 150
Откуда: Москва
Вот наличие и цены по YAMAHA:

Лист 1.


Вложения:
WSM YAMAHA 1.jpg
WSM YAMAHA 1.jpg [ 2.72 МБ | 6707 просмотров ]
WSM YAMAHA 1.jpg
WSM YAMAHA 1.jpg [ 2.72 МБ | 6709 просмотров ]
Вернуться к началу
 Заголовок сообщения:
СообщениеДобавлено: 04 июл 2012, 15:28 
Не в сети
Старшина 1 статьи

Зарегистрирован: 29 июн 2012, 14:35
Сообщения: 150
Откуда: Москва
Лист 2.


Вложения:
WSM YAMAHA 2.jpg
WSM YAMAHA 2.jpg [ 1.75 МБ | 6707 просмотров ]
Вернуться к началу
 Заголовок сообщения:
СообщениеДобавлено: 04 июл 2012, 17:05 
Не в сети
Старшина 1 статьи
Аватара пользователя

Зарегистрирован: 13 июл 2011, 12:06
Сообщения: 355
Имя: Руслан
Техника: sea doo xp 951
Откуда: Беларусь - Минск
а какая цена за фильтр?

_________________
я наркоман
мой наркотик адреналин


Вернуться к началу
 Заголовок сообщения:
СообщениеДобавлено: 04 июл 2012, 18:15 
Не в сети
Старшина 1 статьи

Зарегистрирован: 29 июн 2012, 14:35
Сообщения: 150
Откуда: Москва
kaldun";p="40763 писал(а):
а какая цена за фильтр?


Если речь идет об ХР limited, то другого там нет.
Сменный элемент №006-510 = 450 - 5%.


Вернуться к началу
 Заголовок сообщения:
СообщениеДобавлено: 05 июл 2012, 16:57 
Не в сети
Матрос

Зарегистрирован: 02 май 2012, 16:22
Сообщения: 13
Имя: Сергей
Техника: -bayliner 652
-Bombardier SEA DOO GTI
-Yamaha Grizzly 450
Откуда: Сызрань
Интересует вал привода на GTI 97 года...
204120064 (replace 272000073)


Вернуться к началу
 Заголовок сообщения:
СообщениеДобавлено: 05 июл 2012, 17:13 
Не в сети
Старшина 1 статьи

Зарегистрирован: 29 июн 2012, 14:35
Сообщения: 150
Откуда: Москва
М.Сергей";p="40858 писал(а):
Интересует вал привода на GTI 97 года...
204120064 (replace 272000073)


В наличии нет.
На заказ 10850.0 р - оригинал


Вернуться к началу
 Заголовок сообщения:
СообщениеДобавлено: 09 июл 2012, 13:44 
Не в сети
Старшина 1 статьи

Зарегистрирован: 29 июн 2012, 14:35
Сообщения: 150
Откуда: Москва
Наличие и цены по KAWASAKI

Лист 1:


Вложения:
Изображение 036.jpg
Изображение 036.jpg [ 2.62 МБ | 6702 просмотра ]
Вернуться к началу
 Заголовок сообщения:
СообщениеДобавлено: 09 июл 2012, 13:46 
Не в сети
Старшина 1 статьи

Зарегистрирован: 29 июн 2012, 14:35
Сообщения: 150
Откуда: Москва
Лист 2:


Вложения:
Изображение 037.jpg
Изображение 037.jpg [ 624.53 КБ | 6702 просмотра ]
Вернуться к началу
 Заголовок сообщения:
СообщениеДобавлено: 11 июл 2012, 18:45 
Не в сети
Старшина 1 статьи

Зарегистрирован: 29 июн 2012, 14:35
Сообщения: 150
Откуда: Москва
jwboarding";p="41364 писал(а):
У меня выбило сальники на коленвале yamaha . по ходу коленвал тоже нужен. Если есть необходимые зп, напиши цены. Я чайник, не шарю.


Сальники есть.
Комплект на GP-1200R = 2200 - 5%
По коленвалу вопрос сложнее. Чтобы тему не засорять- давай в ЛС перейдем.
Пиши подробнее - что с коленом. И как это "сальники выбило" :shock: ?


Вернуться к началу
 Заголовок сообщения:
СообщениеДобавлено: 16 июл 2012, 12:51 
Не в сети
Старшина 1 статьи

Зарегистрирован: 29 июн 2012, 14:35
Сообщения: 150
Откуда: Москва
В наличии чехлы на гидроциклы:
KAWASAKI 900-1100-1200 (зеленый)
KAWASAKI 12F-15F (синий)
KAWASAKI U130-U150 (синий)

BRP PXT (черный) - осталась 1шт.


Вернуться к началу
 Заголовок сообщения:
СообщениеДобавлено: 28 июл 2012, 08:29 
Не в сети
Контр-адмирал
Аватара пользователя

Зарегистрирован: 24 авг 2011, 14:08
Сообщения: 2883
Имя: Валерий
Техника: Sea-Doo GTX RFI 2000г. 110 л.с.
Откуда: Самара
Благодарил (а): 1 раз
Поблагодарили: 20 раз
Водозаборная решетка на мой гидрик интересует. Тюненая. Есть?


Вернуться к началу
Показать сообщения за:  Поле сортировки  
Начать новую тему  Ответить на тему  [ 321 сообщение ]  На страницу Пред. 1 2 3 4 522 След.

Часовой пояс: UTC+03:00


Кто сейчас на конференции

Сейчас этот форум просматривают: нет зарегистрированных пользователей и 5 гостей


Вы не можете начинать темы
Вы не можете отвечать на сообщения
Вы не можете редактировать свои сообщения
Вы не можете удалять свои сообщения
Вы не можете добавлять вложения

Найти:
Перейти:  



Advertisements by Advertisement Management

Яндекс.Метрика Rambler's Top100
Создано на основе phpBB® Forum Software © phpBB Limited
Русская поддержка phpBB / PW