Меню |
|---|
Реклама |
|---|
Активные участники |
|---|
Часы |
|---|
Поиск |
|---|
Ссылка на наш сайт |
|---|
Кто сейчас на конференции |
|---|
Всего 4 посетителя :: 0 зарегистрированных, 0 скрытых и 4 гостя
Сейчас этот форум просматривают: нет зарегистрированных пользователей и 4 гостя |
Ссылки |
|---|
|
| Автор |
Сообщение |
|
Igor60
|
Заголовок сообщения: болт |
|
| Не в сети |
| Старший мичман |
 |
Зарегистрирован: 09 июл 2011, 17:38 Сообщения: 1087
Имя: Игорь
Техника: Всяко
Откуда: Псков
Поблагодарили: 3 раза
|
|
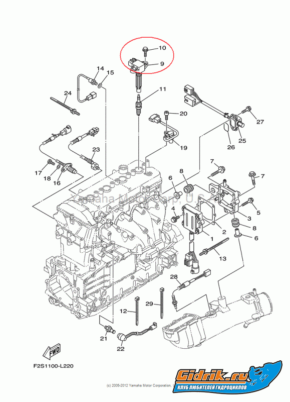
вчера консервиравал гидрик и умудрился похронить болт.
собственно куплю пару штук про запас.
могу выточить но хочу родной.
номер по катологу 90105-06903-00
| Вложения: |

Image.gif [ 144.49 КБ | 1590 просмотров ]
|
_________________ Занимаясь экстримом, надо четко понимать когда кончается экстрим и начинается жоп@
|
|
| Вернуться к началу |
|
 |
Кто сейчас на конференции |
Сейчас этот форум просматривают: нет зарегистрированных пользователей и 4 гостя |
|
|
Вы не можете начинать темы Вы не можете отвечать на сообщения Вы не можете редактировать свои сообщения Вы не можете удалять свои сообщения Вы не можете добавлять вложения
|
|