Меню |
|---|
Реклама |
|---|
Активные участники |
|---|
Часы |
|---|
Поиск |
|---|
Ссылка на наш сайт |
|---|
Кто сейчас на конференции |
|---|
Всего 14 посетителей :: 0 зарегистрированных, 0 скрытых и 14 гостей
Сейчас этот форум просматривают: нет зарегистрированных пользователей и 14 гостей |
Ссылки |
|---|
|
| Автор |
Сообщение |
|
pasha9230
|
|
Зарегистрирован: 17 мар 2020, 14:22 Сообщения: 6
Имя: Павел
Техника: Yamaha VX1100
|
|
Приветствую. Назрел вопрос, кто-то уже пробовал делать задний ход на VX1100 или подобных моделях?
Какие запчасти необходимы? Трос реверса, башмак и рукаядка?
Возможно ли установить? Жду обратной связи
|
|
| Вернуться к началу |
|
 |
|
holod-nsk
|
|
| Не в сети |
| Младший лейтенант |
Зарегистрирован: 31 мар 2016, 19:42 Сообщения: 1235
Имя: Костян
Техника: Yamaha vx1100 ,Yamaha FX HO 1800 , снегоход yamaha rx1 mtx 174 ,subaru outbeack , фмник FX37
Откуда: Новосибирск
Благодарил (а): 6 раз Поблагодарили: 54 раза
|
|
Конечно возможно , осталось за малым купить весь комплект
|
|
| Вернуться к началу |
|
 |
|
Марлен
|
|
Зарегистрирован: 15 апр 2020, 10:43 Сообщения: 2
Имя: Марлен
Техника: лгп
|
Здравствуйте. Есть тут квалифицированный мастер, Аркадий. А так, поищите в интернете, я думаю по отзывам запросто можно определиться. Я тоже создал автомобильный сайт. Сейчас заказал продвижение на сервисе http://ktoprodvinul.ru/ , хочу чтоб отображался на передовых позициях в поисковике. Многие раздели позаимствовал от вас, надеюсь простите.)) Желаю процветания вашему сайту, на самом деле много полезной информации.
Последний раз редактировалось Марлен 08 май 2020, 11:53, всего редактировалось 4 раза.
|
|
| Вернуться к началу |
|
 |
|
Павел Геленджик
|
|
| Не в сети |
| Главный старшина |
Зарегистрирован: 08 окт 2015, 15:46 Сообщения: 600
Поблагодарили: 53 раза
|
|
по- моему там еще на водомете спрямитель менять к чему ковш реверса крепиться,вместо рукоятки на обычном v1100 заглушка.
|
|
| Вернуться к началу |
|
 |
|
Foxx021
|
|
| Не в сети |
| Старшина 2 статьи |
Зарегистрирован: 30 май 2019, 11:11 Сообщения: 111
Имя: Константин
Техника: Yamaha VX1100 SPORT
Благодарил (а): 18 раз Поблагодарили: 2 раза
|
pasha9230 писал(а): Приветствую. Назрел вопрос, кто-то уже пробовал делать задний ход на VX1100 или подобных моделях?
Какие запчасти необходимы? Трос реверса, башмак и рукаядка?
Возможно ли установить? Жду обратной связи установить возможно конечно. только где взять этот комплект? Спрямитель менять не придется, на нем есть крепления для заслонки заднего хода.
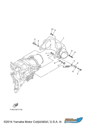
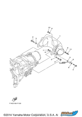
| Вложения: |
Комментарий к файлу: это картинка от Yamaha VX1100 Wave Runner VX Cruiser... они братья близнецы

заслонка заднего хода.png [ 28.62 КБ | 10942 просмотра ]
|
|
|
| Вернуться к началу |
|
 |
|
Павел Геленджик
|
|
| Не в сети |
| Главный старшина |
Зарегистрирован: 08 окт 2015, 15:46 Сообщения: 600
Поблагодарили: 53 раза
|
|
найти, наверное, только на разборках.Если покупать все новое по партнамбам, то в копеечку влетит.
|
|
| Вернуться к началу |
|
 |
|
Anatoliy11
|
|
| Не в сети |
| Контр-адмирал |
 |
Зарегистрирован: 30 июн 2016, 09:13 Сообщения: 2628
Имя: Анатолий
Техника: Мотороллер с фаркопом
Откуда: Харьков обл.
Благодарил (а): 30 раз Поблагодарили: 156 раз
|
|
| Вернуться к началу |
|
 |
|
Foxx021
|
|
| Не в сети |
| Старшина 2 статьи |
Зарегистрирован: 30 май 2019, 11:11 Сообщения: 111
Имя: Константин
Техника: Yamaha VX1100 SPORT
Благодарил (а): 18 раз Поблагодарили: 2 раза
|
Павел Геленджик писал(а): найти, наверное, только на разборках.Если покупать все новое по партнамбам, то в копеечку влетит. В районе 25-27т₽ 
|
|
| Вернуться к началу |
|
 |
Кто сейчас на конференции |
Сейчас этот форум просматривают: нет зарегистрированных пользователей и 14 гостей |
|
|
Вы не можете начинать темы Вы не можете отвечать на сообщения Вы не можете редактировать свои сообщения Вы не можете удалять свои сообщения Вы не можете добавлять вложения
|
|