Меню |
|---|
Реклама |
|---|
Активные участники |
|---|
Часы |
|---|
Поиск |
|---|
Ссылка на наш сайт |
|---|
Кто сейчас на конференции |
|---|
Всего 6 посетителей :: 0 зарегистрированных, 0 скрытых и 6 гостей
Сейчас этот форум просматривают: нет зарегистрированных пользователей и 6 гостей |
Ссылки |
|---|
|
| Автор |
Сообщение |
|
pavel.sartakov
|
|
| Не в сети |
| Матрос |
 |
Зарегистрирован: 07 июл 2017, 07:58 Сообщения: 16
Имя: Павел
Техника: BRP SEA DOO XP ROTAX787
Откуда: Владивосток
|
|
Всем привет.У кого есть схема подключения шланчиков охлаждения ДВС на BRP SEA DOO XP 1997 ROTAX787 ,БУДУ ОЧЕНЬ ПРИЗНАТЕЛЕН.
|
|
| Вернуться к началу |
|
 |
|
pavel.sartakov
|
|
| Не в сети |
| Матрос |
 |
Зарегистрирован: 07 июл 2017, 07:58 Сообщения: 16
Имя: Павел
Техника: BRP SEA DOO XP ROTAX787
Откуда: Владивосток
|
|
Спасибо я видел эту схему.В принципе у меня все подключенно один шланчик с тройничком где сбрасывается вода за борт не могу разобраться что и куда подключается.
|
|
| Вернуться к началу |
|
 |
|
Bald
|
|
| Не в сети |
| Матрос |
 |
Зарегистрирован: 29 янв 2014, 07:33 Сообщения: 36
Имя: Константин
Откуда: Новосибирск
Благодарил (а): 1 раз Поблагодарили: 2 раза
|
|
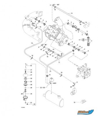
Это шланг №13 там все прозрачно и нет тройника
|
|
| Вернуться к началу |
|
 |
|
pavel.sartakov
|
|
| Не в сети |
| Матрос |
 |
Зарегистрирован: 07 июл 2017, 07:58 Сообщения: 16
Имя: Павел
Техника: BRP SEA DOO XP ROTAX787
Откуда: Владивосток
|
|
В каждой модели есть отличия.Я просто вчера когда запустил его обратил внимание что отверстие сквозное и нашел шланчик в бардачке с троиничком и пимпочкой которая всавляется в это отверстие.
|
|
| Вернуться к началу |
|
 |
|
grigoryan
|
|
| Не в сети |
| Вице-адмирал |
 |
Зарегистрирован: 22 сен 2010, 10:10 Сообщения: 3446
Имя: Юра
Техника: чего только нет ...
Откуда: Простоквашино
Поблагодарили: 18 раз
|
|
если с боку корпуса имеешь ввиду отверстие- то там выходят шланчики вентиляции б.бака и вентиляция аккумулятора. последнюю обычно выкидывают нах)))
_________________ берегите природу мать вашу
|
|
| Вернуться к началу |
|
 |
|
pavel.sartakov
|
|
| Не в сети |
| Матрос |
 |
Зарегистрирован: 07 июл 2017, 07:58 Сообщения: 16
Имя: Павел
Техника: BRP SEA DOO XP ROTAX787
Откуда: Владивосток
|
|
Приветсвую.В том то и дело,что я посмотрел на ютюбе очень много видео за свой гидроцикл и везде с этого отверстия при запуске двигателя начинает течь струйка воды.Это находится с левого борта в носовой части.
|
|
| Вернуться к началу |
|
 |
|
grigoryan
|
|
| Не в сети |
| Вице-адмирал |
 |
Зарегистрирован: 22 сен 2010, 10:10 Сообщения: 3446
Имя: Юра
Техника: чего только нет ...
Откуда: Простоквашино
Поблагодарили: 18 раз
|
|
дак это контролька,смотри схему и исправляй..
_________________ берегите природу мать вашу
|
|
| Вернуться к началу |
|
 |
|
pavel.sartakov
|
|
| Не в сети |
| Матрос |
 |
Зарегистрирован: 07 июл 2017, 07:58 Сообщения: 16
Имя: Павел
Техника: BRP SEA DOO XP ROTAX787
Откуда: Владивосток
|
|
Была бы схема сюда не обращался бы.
|
|
| Вернуться к началу |
|
 |
|
pavel.sartakov
|
|
| Не в сети |
| Матрос |
 |
Зарегистрирован: 07 июл 2017, 07:58 Сообщения: 16
Имя: Павел
Техника: BRP SEA DOO XP ROTAX787
Откуда: Владивосток
|
|
А те схемы что в интернете они для гидрика другой модели,на свой сколько не искал ни могу найти.Примерно хоть подскажите в каком месте смотеть надо.
|
|
| Вернуться к началу |
|
 |
|
Dr.Ort
|
|
| Не в сети |
| Капитан 2 ранга |
 |
Зарегистрирован: 03 июл 2013, 12:41 Сообщения: 2287
Имя: Евгений
Техника: XP DI 2003
Откуда: ДНР, Донецк
Благодарил (а): 2 раза Поблагодарили: 25 раз
|
|
| Вернуться к началу |
|
 |
|
pavel.sartakov
|
|
| Не в сети |
| Матрос |
 |
Зарегистрирован: 07 июл 2017, 07:58 Сообщения: 16
Имя: Павел
Техника: BRP SEA DOO XP ROTAX787
Откуда: Владивосток
|
|
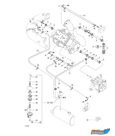
спасибо я нашел схему но на мой гидртк она не подходит
|
|
| Вернуться к началу |
|
 |
|
igor sea-doo
|
|
| Не в сети |
| Адмирал флота |
 |
Зарегистрирован: 07 авг 2015, 10:53 Сообщения: 6377
Имя: igor
Техника: ветерок 12
Откуда: Krasnodar city
Благодарил (а): 105 раз Поблагодарили: 168 раз
|
pavel.sartakov писал(а): спасибо я нашел схему но на мой гидртк она не подходит добрый вечер.в смысле не подходит,Женя ссыль кинул.все там ясно.гидра xp 97 года?мотор 787?или конструктор...?фото киньте для ясности.
|
|
| Вернуться к началу |
|
 |
|
pavel.sartakov
|
|
| Не в сети |
| Матрос |
 |
Зарегистрирован: 07 июл 2017, 07:58 Сообщения: 16
Имя: Павел
Техника: BRP SEA DOO XP ROTAX787
Откуда: Владивосток
|
|
Приветствую.Я почему то не могу зайти с телефона чтобы скинуть фото.Все верно мотор 787 но вот там есть два отверстия одно бака другое с коллектора что то но есть еще одно отверстие в нем пимпочка а с нее торчат шланчики.
|
|
| Вернуться к началу |
|
 |
|
petrycho
|
|
| Не в сети |
| Вице-адмирал |
 |
Зарегистрирован: 15 фев 2016, 21:13 Сообщения: 3034
Имя: Пётр
Техника: Sunbird Saturn-170. Jolion. Sea-Doo Spark. ПЛМ Салют-Э.
Откуда: Липецк
Благодарил (а): 88 раз Поблагодарили: 122 раза
|
|
какого года гидроцикл?
_________________ Опыт, как и половое бессилие, приходит с годами. _____________________________________________________ 
|
|
| Вернуться к началу |
|
 |
Кто сейчас на конференции |
Сейчас этот форум просматривают: нет зарегистрированных пользователей и 6 гостей |
|
|
Вы не можете начинать темы Вы не можете отвечать на сообщения Вы не можете редактировать свои сообщения Вы не можете удалять свои сообщения Вы не можете добавлять вложения
|
|