Меню |
|---|
Реклама |
|---|
Активные участники |
|---|
Часы |
|---|
Поиск |
|---|
Ссылка на наш сайт |
|---|
Кто сейчас на конференции |
|---|
Всего 5 посетителей :: 0 зарегистрированных, 0 скрытых и 5 гостей
Сейчас этот форум просматривают: нет зарегистрированных пользователей и 5 гостей |
Ссылки |
|---|
|
| Автор |
Сообщение |
|
Tron
|
|
Зарегистрирован: 08 авг 2016, 22:20 Сообщения: 61
Техника: XP Ltd
Благодарил (а): 2 раза Поблагодарили: 1 раз
|
Цитата: Обратку бензина А что это даст?
|
|
| Вернуться к началу |
|
 |
|
petrycho
|
|
| Не в сети |
| Вице-адмирал |
 |
Зарегистрирован: 15 фев 2016, 21:13 Сообщения: 3034
Имя: Пётр
Техника: Sunbird Saturn-170. Jolion. Sea-Doo Spark. ПЛМ Салют-Э.
Откуда: Липецк
Благодарил (а): 88 раз Поблагодарили: 122 раза
|
Tron писал(а): Цитата: Обратку бензина А что это даст? Топливо может ВСЁ в обратку уходить, отсюда нехватка по оборотам. Бывает, что давления насоса не хватает, поэтому тоже обратку можно заткнуть.
_________________ Опыт, как и половое бессилие, приходит с годами. _____________________________________________________ 
|
|
| Вернуться к началу |
|
 |
|
Tron
|
|
Зарегистрирован: 08 авг 2016, 22:20 Сообщения: 61
Техника: XP Ltd
Благодарил (а): 2 раза Поблагодарили: 1 раз
|
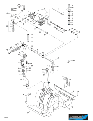
Спасибо, попробую! Подскажите ПЛЗ какой из них обратка?  №11? Цитата: Топливо может ВСЁ в обратку уходить, отсюда нехватка по оборотам. Получается какой-то клапан на...ся... Это №6?
| Вложения: |

253762_0027.gif [ 130.15 КБ | 5642 просмотра ]
|
|
|
| Вернуться к началу |
|
 |
|
Yuri299
|
|
| Не в сети |
| Главный старшина |
Зарегистрирован: 18 авг 2014, 09:59 Сообщения: 603
Имя: Юрий
Техника: BRP SEA DOO XP Limited 2000 года, 947 ROTAX 130 л.с. BRP SEA DOO RXP X 260rs, 2013г года. BRP SEA DOO RXP X 300rs 2017года.
Откуда: Тюмень
Благодарил (а): 3 раза
|
Tron писал(а): Спасибо, попробую! Подскажите ПЛЗ какой из них обратка?  №11? Цитата: Топливо может ВСЁ в обратку уходить, отсюда нехватка по оборотам. Получается какой-то клапан на...ся... Это №6?  Обратку нащупай руками и визуально, и вообще посмотри там все устройство своими глазами, тебе так проще будет! Разберись! Не в обиду.
_________________ С Уважением, Юрий!
|
|
| Вернуться к началу |
|
 |
|
BlackSalim
|
|
| Не в сети |
| Старший мичман |
 |
Зарегистрирован: 20 июн 2013, 17:17 Сообщения: 1165
Имя: Салим
Техника: GSX LTD 98,Speedster 150 260,Toyota camry 50
Откуда: Азербайджан,Баку
Благодарил (а): 8 раз Поблагодарили: 40 раз
|
|
Шланг идущий из фильтра подача.
|
|
| Вернуться к началу |
|
 |
|
petrycho
|
|
| Не в сети |
| Вице-адмирал |
 |
Зарегистрирован: 15 фев 2016, 21:13 Сообщения: 3034
Имя: Пётр
Техника: Sunbird Saturn-170. Jolion. Sea-Doo Spark. ПЛМ Салют-Э.
Откуда: Липецк
Благодарил (а): 88 раз Поблагодарили: 122 раза
|
|
обычно трубка от карба в бак, просто трубка, безо всего
_________________ Опыт, как и половое бессилие, приходит с годами. _____________________________________________________ 
|
|
| Вернуться к началу |
|
 |
|
Tron
|
|
Зарегистрирован: 08 авг 2016, 22:20 Сообщения: 61
Техника: XP Ltd
Благодарил (а): 2 раза Поблагодарили: 1 раз
|
|
В эти выхи хочу потестить с пережатыми шлангами)))
Yuri299, ты ничего не разбирался?
|
|
| Вернуться к началу |
|
 |
|
Yuri299
|
|
| Не в сети |
| Главный старшина |
Зарегистрирован: 18 авг 2014, 09:59 Сообщения: 603
Имя: Юрий
Техника: BRP SEA DOO XP Limited 2000 года, 947 ROTAX 130 л.с. BRP SEA DOO RXP X 260rs, 2013г года. BRP SEA DOO RXP X 300rs 2017года.
Откуда: Тюмень
Благодарил (а): 3 раза
|
Tron писал(а): В эти выхи хочу потестить с пережатыми шлангами)))
Yuri299, ты ничего не разбирался? Я проверил и убедился, что рэйвы у меня работают! По прямой 6800 об/мин, в прыжках 6200 об/мин, иногда после прыжков по прямой 6300-6500 об/мин, а через несколько секунд 6800 об/мин. Я думаю это вода где то прокрадывается. А через аварийный сброс вода может попадать в бак? Я имею ввиду через перелив.
_________________ С Уважением, Юрий!
|
|
| Вернуться к началу |
|
 |
|
Tron
|
|
Зарегистрирован: 08 авг 2016, 22:20 Сообщения: 61
Техника: XP Ltd
Благодарил (а): 2 раза Поблагодарили: 1 раз
|
Цитата: А через аварийный сброс вода может попадать в бак? Я имею ввиду через перелив. Нет, там обратный клапан стоит.
|
|
| Вернуться к началу |
|
 |
|
Yuri299
|
|
| Не в сети |
| Главный старшина |
Зарегистрирован: 18 авг 2014, 09:59 Сообщения: 603
Имя: Юрий
Техника: BRP SEA DOO XP Limited 2000 года, 947 ROTAX 130 л.с. BRP SEA DOO RXP X 260rs, 2013г года. BRP SEA DOO RXP X 300rs 2017года.
Откуда: Тюмень
Благодарил (а): 3 раза
|
Tron писал(а): Цитата: А через аварийный сброс вода может попадать в бак? Я имею ввиду через перелив. Нет, там обратный клапан стоит. То что он там стоит я это знаю, может от него уже и толку нет.. Если аварийный сброс вообще закрыть на глухо?!
_________________ С Уважением, Юрий!
|
|
| Вернуться к началу |
|
 |
|
Tron
|
|
Зарегистрирован: 08 авг 2016, 22:20 Сообщения: 61
Техника: XP Ltd
Благодарил (а): 2 раза Поблагодарили: 1 раз
|
|
Очень маловероятно, что через него может вода попасть...
|
|
| Вернуться к началу |
|
 |
|
Yuri299
|
|
| Не в сети |
| Главный старшина |
Зарегистрирован: 18 авг 2014, 09:59 Сообщения: 603
Имя: Юрий
Техника: BRP SEA DOO XP Limited 2000 года, 947 ROTAX 130 л.с. BRP SEA DOO RXP X 260rs, 2013г года. BRP SEA DOO RXP X 300rs 2017года.
Откуда: Тюмень
Благодарил (а): 3 раза
|
|
Я нашел откуда попадает вода в бак! Блин! Это был тот самый шланг перелива! Там этот клапан и туда, и сюда дуется! Так что я этот шланг заглушил!
_________________ С Уважением, Юрий!
|
|
| Вернуться к началу |
|
 |
|
Shrek
|
|
| Не в сети |
| Контр-адмирал |
 |
Зарегистрирован: 24 авг 2011, 14:08 Сообщения: 2883
Имя: Валерий
Техника: Sea-Doo GTX RFI 2000г. 110 л.с.
Откуда: Самара
Благодарил (а): 1 раз Поблагодарили: 20 раз
|
|
и что изменилось? обороты скачат?
|
|
| Вернуться к началу |
|
 |
|
Yuri299
|
|
| Не в сети |
| Главный старшина |
Зарегистрирован: 18 авг 2014, 09:59 Сообщения: 603
Имя: Юрий
Техника: BRP SEA DOO XP Limited 2000 года, 947 ROTAX 130 л.с. BRP SEA DOO RXP X 260rs, 2013г года. BRP SEA DOO RXP X 300rs 2017года.
Откуда: Тюмень
Благодарил (а): 3 раза
|
Shrek писал(а): и что изменилось? обороты скачат? Погоди ты, бак полный топлива, надо еще его выкатать и удалить все воду, а ее там я думаю много.
_________________ С Уважением, Юрий!
|
|
| Вернуться к началу |
|
 |
|
Shrek
|
|
| Не в сети |
| Контр-адмирал |
 |
Зарегистрирован: 24 авг 2011, 14:08 Сообщения: 2883
Имя: Валерий
Техника: Sea-Doo GTX RFI 2000г. 110 л.с.
Откуда: Самара
Благодарил (а): 1 раз Поблагодарили: 20 раз
|
Yuri299 писал(а): Shrek писал(а): и что изменилось? обороты скачат? Погоди ты, бак полный топлива, надо еще его выкатать и удалить все воду, а ее там я думаю много. Нахрена откатывать чтобы воду удалить?  Залей пару литров спирта и катай себе спокойно заодно форсунки почистишь 
|
|
| Вернуться к началу |
|
 |
Кто сейчас на конференции |
Сейчас этот форум просматривают: нет зарегистрированных пользователей и 5 гостей |
|
|
Вы не можете начинать темы Вы не можете отвечать на сообщения Вы не можете редактировать свои сообщения Вы не можете удалять свои сообщения Вы не можете добавлять вложения
|
|