Текущее время: 13 янв 2026, 09:54

Часовой пояс: UTC+03:00


 Меню

 Реклама

 Активные участники
Имя пользователя Сообщения
igor sea-doo 6376
fim-92 5218
Raider 4496
grigoryan 3446
Andman 3381

 Часы

 Поиск


Расширенный поиск

 Ссылка на наш сайт
Если хотите разместить ссылку на Гидрик.ру - Клуб любителей гидроциклов и другой техники для активного отдыха, используйте этот HTML-код:


 Кто сейчас на конференции
Всего 1 посетитель :: 0 зарегистрированных, 0 скрытых и 1 гость

Сейчас этот форум просматривают: нет зарегистрированных пользователей и 1 гость

 Ссылки
 www.nakley-ka.ru - мы делаем наклейки
 www.Relax-boat.ru - Ваш отдых на воде



Начать новую тему  Ответить на тему  [ 975 сообщений ]  На страницу Пред. 126 27 28 29 3065 След.
Автор Сообщение
СообщениеДобавлено: 02 авг 2017, 09:00 
Не в сети
Старшина 1 статьи
Аватара пользователя

Зарегистрирован: 30 июл 2017, 13:04
Сообщения: 221
Имя: Евгений
Техника: Kawasaki ZXi 900,Kawasaki SS Xi ,Ski-Doo Formula 3 600, Polaris Dragon 800 RMK 155
Откуда: Красноярск
Поблагодарили: 3 раза
Старый в герметосе? Или так потрахало его?


Вернуться к началу
СообщениеДобавлено: 02 авг 2017, 09:07 
Не в сети
Старший мичман
Аватара пользователя

Зарегистрирован: 02 июл 2016, 17:40
Сообщения: 1037
Имя: Виталий
Откуда: Хабаровск
Благодарил (а): 66 раз
Поблагодарили: 50 раз
в герметике он.
мне б.у пришел с америки, тот который потеряли))) во прикол, а я за него деньги вернул уже у продавца!!!))) ахаха. так что кому надо могу по сходной цене отдать )))
они везде одинаковые 650 750 900 1100 ультра ит.д


Вернуться к началу
СообщениеДобавлено: 02 авг 2017, 09:18 
Не в сети
Старшина 1 статьи
Аватара пользователя

Зарегистрирован: 30 июл 2017, 13:04
Сообщения: 221
Имя: Евгений
Техника: Kawasaki ZXi 900,Kawasaki SS Xi ,Ski-Doo Formula 3 600, Polaris Dragon 800 RMK 155
Откуда: Красноярск
Поблагодарили: 3 раза
Я же говорю: РУССКИЕ!!! КРУТО!!! Я пока так со спектремом покатаюсь. Осенью начну делать кузов и т.д. понадобится)))


Вернуться к началу
СообщениеДобавлено: 02 авг 2017, 09:57 
Не в сети
Контр-адмирал
Аватара пользователя

Зарегистрирован: 30 июн 2016, 09:13
Сообщения: 2628
Имя: Анатолий
Техника: Мотороллер с фаркопом
Откуда: Харьков обл.
Благодарил (а): 30 раз
Поблагодарили: 156 раз
Alpinev писал(а):
во прикол, а я за него деньги вернул уже у продавца!!!))) ахаха.

:shock: чисто русский бизнес :good:

_________________
"Лучше пару раз по разу:- чем ни разу много раз"))
настройка карбюраторов ссылка ниже
http://www.pwctoday.com/showthread.php?t=62278


Вернуться к началу
СообщениеДобавлено: 03 авг 2017, 14:54 
Не в сети
Старшина 1 статьи
Аватара пользователя

Зарегистрирован: 30 июл 2017, 13:04
Сообщения: 221
Имя: Евгений
Техника: Kawasaki ZXi 900,Kawasaki SS Xi ,Ski-Doo Formula 3 600, Polaris Dragon 800 RMK 155
Откуда: Красноярск
Поблагодарили: 3 раза
Виталя помощь надо по зажиганию. Прочитал твой пост про зажигание. Чем мерил и как? Чем в смысле ом или ком? Я по мануалу понять не могу нифига. Там и плюсы и минусы и разные значения...поясни как правильно читать данные в мануале...вроде я не тупой,но как- о затык((((


Вернуться к началу
СообщениеДобавлено: 03 авг 2017, 14:59 
Не в сети
Старший мичман
Аватара пользователя

Зарегистрирован: 02 июл 2016, 17:40
Сообщения: 1037
Имя: Виталий
Откуда: Хабаровск
Благодарил (а): 66 раз
Поблагодарили: 50 раз
Я собрал все добро свое. В винте уменьшился зазор.т.к подшипник стал как надо без перекоса. Внутри была кстати вода. Ну теперь надеюсь поедет и ссать внутрь кузова не будет.


Вернуться к началу
СообщениеДобавлено: 03 авг 2017, 15:01 
Не в сети
Старший мичман
Аватара пользователя

Зарегистрирован: 02 июл 2016, 17:40
Сообщения: 1037
Имя: Виталий
Откуда: Хабаровск
Благодарил (а): 66 раз
Поблагодарили: 50 раз
Eco писал(а):
Виталя помощь надо по зажиганию. Прочитал твой пост про зажигание. Чем мерил и как? Чем в смысле ом или ком? Я по мануалу понять не могу нифига. Там и плюсы и минусы и разные значения...поясни как правильно читать данные в мануале...вроде я не тупой,но как- о затык((((

В схемах щас не разберусь с телефона. Надо смотреть на работе на компе. Ты скинь мануал свой. И в чем вопрос конкретно у тебя? Как написано в мануале так и должно быть


Вернуться к началу
СообщениеДобавлено: 03 авг 2017, 15:08 
Не в сети
Старшина 1 статьи
Аватара пользователя

Зарегистрирован: 30 июл 2017, 13:04
Сообщения: 221
Имя: Евгений
Техника: Kawasaki ZXi 900,Kawasaki SS Xi ,Ski-Doo Formula 3 600, Polaris Dragon 800 RMK 155
Откуда: Красноярск
Поблагодарили: 3 раза
Вопрос: что там за два столбца и плюс и минус? Это мультиметром надо именно плюсом и минусом? И это на ом или ком?


Вернуться к началу
СообщениеДобавлено: 03 авг 2017, 15:08 
Не в сети
Старшина 1 статьи
Аватара пользователя

Зарегистрирован: 30 июл 2017, 13:04
Сообщения: 221
Имя: Евгений
Техника: Kawasaki ZXi 900,Kawasaki SS Xi ,Ski-Doo Formula 3 600, Polaris Dragon 800 RMK 155
Откуда: Красноярск
Поблагодарили: 3 раза
Сори что поздно беспокою,но горит очень. Аж сидеть не могу.


Вернуться к началу
СообщениеДобавлено: 03 авг 2017, 15:11 
Не в сети
Старший мичман
Аватара пользователя

Зарегистрирован: 02 июл 2016, 17:40
Сообщения: 1037
Имя: Виталий
Откуда: Хабаровск
Благодарил (а): 66 раз
Поблагодарили: 50 раз
Eco писал(а):
Вопрос: что там за два столбца и плюс и минус? Это мультиметром надо именно плюсом и минусом? И это на ом или ком?

Кинь сюда скан схемы. Я посмотрю


Вернуться к началу
СообщениеДобавлено: 03 авг 2017, 15:22 
Не в сети
Старшина 1 статьи
Аватара пользователя

Зарегистрирован: 30 июл 2017, 13:04
Сообщения: 221
Имя: Евгений
Техника: Kawasaki ZXi 900,Kawasaki SS Xi ,Ski-Doo Formula 3 600, Polaris Dragon 800 RMK 155
Откуда: Красноярск
Поблагодарили: 3 раза
Как понимать? Почему и по вертикали и по горизонтали повторяются цвета проводов и почему если черныйпо горизонтали и красный по вертикали не совпадают с красным по горизонтали и черным по вертикали? Меня это в ступор вводит. И что значит + и -. У тебя всё также только я не понимаю как это?


Вложения:
Комментарий к файлу: Как
Screenshot_2017-08-03-19-17-34.png
Screenshot_2017-08-03-19-17-34.png [ 332.35 КБ | 2878 просмотров ]
Вернуться к началу
СообщениеДобавлено: 03 авг 2017, 15:26 
Не в сети
Старший мичман
Аватара пользователя

Зарегистрирован: 02 июл 2016, 17:40
Сообщения: 1037
Имя: Виталий
Откуда: Хабаровск
Благодарил (а): 66 раз
Поблагодарили: 50 раз
Все так же. Нужно встать тестером плюсовым на такой то провод и минусовым на такой то. Если провода при смене полярностей совпали только наоборот. То смотри значение которое написано в мануале. Все там понятно. Там омы.


Вернуться к началу
СообщениеДобавлено: 03 авг 2017, 15:27 
Не в сети
Старшина 1 статьи
Аватара пользователя

Зарегистрирован: 30 июл 2017, 13:04
Сообщения: 221
Имя: Евгений
Техника: Kawasaki ZXi 900,Kawasaki SS Xi ,Ski-Doo Formula 3 600, Polaris Dragon 800 RMK 155
Откуда: Красноярск
Поблагодарили: 3 раза
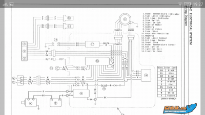
Схема


Вложения:
Screenshot_2017-08-03-19-27-02.png
Screenshot_2017-08-03-19-27-02.png [ 385.54 КБ | 2878 просмотров ]
Вернуться к началу
СообщениеДобавлено: 03 авг 2017, 15:28 
Не в сети
Старшина 1 статьи
Аватара пользователя

Зарегистрирован: 30 июл 2017, 13:04
Сообщения: 221
Имя: Евгений
Техника: Kawasaki ZXi 900,Kawasaki SS Xi ,Ski-Doo Formula 3 600, Polaris Dragon 800 RMK 155
Откуда: Красноярск
Поблагодарили: 3 раза
Тоесть: мерить и плюс минус и минус плюс.такда?


Вернуться к началу
СообщениеДобавлено: 03 авг 2017, 15:29 
Не в сети
Старшина 1 статьи
Аватара пользователя

Зарегистрирован: 30 июл 2017, 13:04
Сообщения: 221
Имя: Евгений
Техника: Kawasaki ZXi 900,Kawasaki SS Xi ,Ski-Doo Formula 3 600, Polaris Dragon 800 RMK 155
Откуда: Красноярск
Поблагодарили: 3 раза
Одно из двух должно быть тем что надо. Правильно?


Вернуться к началу
Показать сообщения за:  Поле сортировки  
Начать новую тему  Ответить на тему  [ 975 сообщений ]  На страницу Пред. 126 27 28 29 3065 След.

Часовой пояс: UTC+03:00


Кто сейчас на конференции

Сейчас этот форум просматривают: нет зарегистрированных пользователей и 1 гость


Вы не можете начинать темы
Вы не можете отвечать на сообщения
Вы не можете редактировать свои сообщения
Вы не можете удалять свои сообщения
Вы не можете добавлять вложения

Найти:
Перейти:  



Advertisements by Advertisement Management

cron
Яндекс.Метрика Rambler's Top100
Создано на основе phpBB® Forum Software © phpBB Limited
Русская поддержка phpBB / PW