Меню |
|---|
Реклама |
|---|
Активные участники |
|---|
Часы |
|---|
Поиск |
|---|
Ссылка на наш сайт |
|---|
Кто сейчас на конференции |
|---|
Всего 3 посетителя :: 0 зарегистрированных, 0 скрытых и 3 гостя
Сейчас этот форум просматривают: нет зарегистрированных пользователей и 3 гостя |
Ссылки |
|---|
|
| Автор |
Сообщение |
|
Cezer85
|
|
| Не в сети |
| Старшина 2 статьи |
Зарегистрирован: 26 авг 2016, 18:10 Сообщения: 107
Имя: Александр
Техника: древний гидрик BRP SPi 96г.в
Откуда: Томская область с.Новый Васюган
|
Куплю в любом состоянии! Писать мне на сотовый 8913866одиннадцать47 Либо на меил Cezer85@gmail.comАлександр.
|
|
| Вернуться к началу |
|
 |
|
Игорь73
|
|
| Не в сети |
| Старший лейтенант |
 |
Зарегистрирован: 04 июн 2013, 12:33 Сообщения: 1720
Имя: Игорь
Техника: Катер BRP с двумя моторами по 85л.с.
Откуда: Ростовская обл.
Поблагодарили: 31 раз
|
|
| Вернуться к началу |
|
 |
|
Cezer85
|
|
| Не в сети |
| Старшина 2 статьи |
Зарегистрирован: 26 авг 2016, 18:10 Сообщения: 107
Имя: Александр
Техника: древний гидрик BRP SPi 96г.в
Откуда: Томская область с.Новый Васюган
|
|
95-96 Но решотка вроде подходит и от других моделей и годов
|
|
| Вернуться к началу |
|
 |
|
Игорь73
|
|
| Не в сети |
| Старший лейтенант |
 |
Зарегистрирован: 04 июн 2013, 12:33 Сообщения: 1720
Имя: Игорь
Техника: Катер BRP с двумя моторами по 85л.с.
Откуда: Ростовская обл.
Поблагодарили: 31 раз
|
|
| Вернуться к началу |
|
 |
|
Cezer85
|
|
| Не в сети |
| Старшина 2 статьи |
Зарегистрирован: 26 авг 2016, 18:10 Сообщения: 107
Имя: Александр
Техника: древний гидрик BRP SPi 96г.в
Откуда: Томская область с.Новый Васюган
|
|
Вот на картинке она
| Вложения: |

img.gif [ 60.57 КБ | 5924 просмотра ]
|
|
|
| Вернуться к началу |
|
 |
|
Cezer85
|
|
| Не в сети |
| Старшина 2 статьи |
Зарегистрирован: 26 авг 2016, 18:10 Сообщения: 107
Имя: Александр
Техника: древний гидрик BRP SPi 96г.в
Откуда: Томская область с.Новый Васюган
|
|
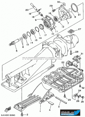
Водомет у меня такой.
| Вложения: |

1996WaverunnerVenture1100JetPumpImpellerAssembly63M-51321-A0-00_275a.jpg [ 357 КБ | 5923 просмотра ]
|
|
|
| Вернуться к началу |
|
 |
|
Cezer85
|
|
| Не в сети |
| Старшина 2 статьи |
Зарегистрирован: 26 авг 2016, 18:10 Сообщения: 107
Имя: Александр
Техника: древний гидрик BRP SPi 96г.в
Откуда: Томская область с.Новый Васюган
|
|
Можно и такую ))))
| Вложения: |

mf-intake-grate-rvgx-1100-1200-xl700-silver.jpg [ 37.57 КБ | 5923 просмотра ]
|
|
|
| Вернуться к началу |
|
 |
|
Cezer85
|
|
| Не в сети |
| Старшина 2 статьи |
Зарегистрирован: 26 авг 2016, 18:10 Сообщения: 107
Имя: Александр
Техника: древний гидрик BRP SPi 96г.в
Откуда: Томская область с.Новый Васюган
|
|
| Вернуться к началу |
|
 |
|
Cezer85
|
|
| Не в сети |
| Старшина 2 статьи |
Зарегистрирован: 26 авг 2016, 18:10 Сообщения: 107
Имя: Александр
Техника: древний гидрик BRP SPi 96г.в
Откуда: Томская область с.Новый Васюган
|
|
| Вернуться к началу |
|
 |
|
Игорь73
|
|
| Не в сети |
| Старший лейтенант |
 |
Зарегистрирован: 04 июн 2013, 12:33 Сообщения: 1720
Имя: Игорь
Техника: Катер BRP с двумя моторами по 85л.с.
Откуда: Ростовская обл.
Поблагодарили: 31 раз
|
|
Нет ни у кого такой решотки. Есть водомет в сборе с решоткой за 30.
|
|
| Вернуться к началу |
|
 |
|
Игорь73
|
|
| Не в сети |
| Старший лейтенант |
 |
Зарегистрирован: 04 июн 2013, 12:33 Сообщения: 1720
Имя: Игорь
Техника: Катер BRP с двумя моторами по 85л.с.
Откуда: Ростовская обл.
Поблагодарили: 31 раз
|
Cezer85 писал(а): Можно и такую ))))  Такую самопал за 12
|
|
| Вернуться к началу |
|
 |
|
Cezer85
|
|
| Не в сети |
| Старшина 2 статьи |
Зарегистрирован: 26 авг 2016, 18:10 Сообщения: 107
Имя: Александр
Техника: древний гидрик BRP SPi 96г.в
Откуда: Томская область с.Новый Васюган
|
|
| Вернуться к началу |
|
 |
Кто сейчас на конференции |
Сейчас этот форум просматривают: нет зарегистрированных пользователей и 3 гостя |
|
|
Вы не можете начинать темы Вы не можете отвечать на сообщения Вы не можете редактировать свои сообщения Вы не можете удалять свои сообщения Вы не можете добавлять вложения
|
|