Меню |
|---|
Реклама |
|---|
Активные участники |
|---|
Часы |
|---|
Поиск |
|---|
Ссылка на наш сайт |
|---|
Кто сейчас на конференции |
|---|
Всего 5 посетителей :: 0 зарегистрированных, 0 скрытых и 5 гостей
Сейчас этот форум просматривают: нет зарегистрированных пользователей и 5 гостей |
Ссылки |
|---|
|
| Автор |
Сообщение |
|
Foxx021
|
|
| Не в сети |
| Старшина 2 статьи |
Зарегистрирован: 30 май 2019, 11:11 Сообщения: 111
Имя: Константин
Техника: Yamaha VX1100 SPORT
Благодарил (а): 18 раз Поблагодарили: 2 раза
|
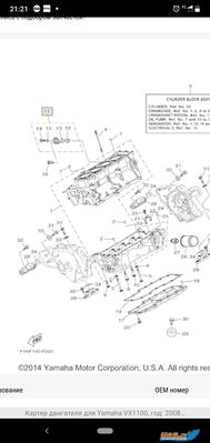
Anatoliy11 писал(а): Урааааа На 2008г.в. он идёт комплектом с крышкой и болтами. Под номером 11
| Вложения: |

Screenshot_20190719-212140.png [ 514.92 КБ | 7155 просмотров ]
|
|
|
| Вернуться к началу |
|
 |
|
petrycho
|
|
| Не в сети |
| Вице-адмирал |
 |
Зарегистрирован: 15 фев 2016, 21:13 Сообщения: 3034
Имя: Пётр
Техника: Sunbird Saturn-170. Jolion. Sea-Doo Spark. ПЛМ Салют-Э.
Откуда: Липецк
Благодарил (а): 88 раз Поблагодарили: 122 раза
|
|
а вот это уже напрягает)))
_________________ Опыт, как и половое бессилие, приходит с годами. _____________________________________________________ 
|
|
| Вернуться к началу |
|
 |
|
Юрец Панда
|
|
| Не в сети |
| Главный старшина |
Зарегистрирован: 17 авг 2016, 14:03 Сообщения: 555
Имя: Юрец Панда
Техника: Yamaha gp 1200 r ВМ Panda 500CC
Откуда: Москва
Благодарил (а): 278 раз Поблагодарили: 29 раз
|
|
Тут вопрос, про аноды в моторе или на водомёте-плите шла речь? В моторе они стоят как на фото, но на 2т, на 4т могут стоять и в/на моторе и на плите. Но конечно у каждой модели по разному. И ещё интересно куда пропали эти советчики с ниппелями? Ушли мануалы и физику с химией изучать? Так Вам будет полезно! Советуя или высмеивая что то, подумайте не чайник ли Вы!
| Вложения: |

583ECE0F-C2BC-4B8D-86A1-5A383EFF85E0.jpeg [ 589.48 КБ | 7146 просмотров ]
|
_________________ Рубилово и кроилово, ведёт к попадолову. Обо мне на драйве https://www.drive2.ru/users/yurec-panda/
|
|
| Вернуться к началу |
|
 |
|
petrycho
|
|
| Не в сети |
| Вице-адмирал |
 |
Зарегистрирован: 15 фев 2016, 21:13 Сообщения: 3034
Имя: Пётр
Техника: Sunbird Saturn-170. Jolion. Sea-Doo Spark. ПЛМ Салют-Э.
Откуда: Липецк
Благодарил (а): 88 раз Поблагодарили: 122 раза
|
|
Где ж ты такой умный раньше был?
_________________ Опыт, как и половое бессилие, приходит с годами. _____________________________________________________ 
|
|
| Вернуться к началу |
|
 |
|
Anatoliy11
|
|
| Не в сети |
| Контр-адмирал |
 |
Зарегистрирован: 30 июн 2016, 09:13 Сообщения: 2628
Имя: Анатолий
Техника: Мотороллер с фаркопом
Откуда: Харьков обл.
Благодарил (а): 30 раз Поблагодарили: 156 раз
|
|
| Вернуться к началу |
|
 |
|
Foxx021
|
|
| Не в сети |
| Старшина 2 статьи |
Зарегистрирован: 30 май 2019, 11:11 Сообщения: 111
Имя: Константин
Техника: Yamaha VX1100 SPORT
Благодарил (а): 18 раз Поблагодарили: 2 раза
|
|
Пришел анод. Но поменять его не реально, без снятия коллектора.
| Вложения: |
Комментарий к файлу: Анод Yamaha vx 1100

IMG_20190820_171952.jpg [ 2.2 МБ | 6852 просмотра ]
|
|
|
| Вернуться к началу |
|
 |
|
Anatoliy11
|
|
| Не в сети |
| Контр-адмирал |
 |
Зарегистрирован: 30 июн 2016, 09:13 Сообщения: 2628
Имя: Анатолий
Техника: Мотороллер с фаркопом
Откуда: Харьков обл.
Благодарил (а): 30 раз Поблагодарили: 156 раз
|
А стоило ли его ваще менять, не зная в каком он состояние! Да и прежде чем что то менять, смотрим мануал - последовательность разборки и готовим ремзамену прокладок Ты спросил где... тебе показали) а что за собой тянет  не было. 
_________________ "Лучше пару раз по разу:- чем ни разу много раз")) настройка карбюраторов ссылка нижеhttp://www.pwctoday.com/showthread.php?t=62278
|
|
| Вернуться к началу |
|
 |
|
Foxx021
|
|
| Не в сети |
| Старшина 2 статьи |
Зарегистрирован: 30 май 2019, 11:11 Сообщения: 111
Имя: Константин
Техника: Yamaha VX1100 SPORT
Благодарил (а): 18 раз Поблагодарили: 2 раза
|
|
Я спросил где, и все с меня поржали)))))) Верно? А как вы думаете в каком он состоянии с 2008г.в. причем прошлые два года эксплуатировался на море?? Последовательность разбора и необходимость прокладок, я все это прекрасно понимаю, про необходимость снятия коллектора тут написал, чтоб кто-то не купил просто так. Я заказал потому, что по окончанию сезона буду вынимать мотор для приведения корпуса в порядок, тогда и поменяю анод, т.к. будет доступ к нему!
|
|
| Вернуться к началу |
|
 |
|
Foxx021
|
|
| Не в сети |
| Старшина 2 статьи |
Зарегистрирован: 30 май 2019, 11:11 Сообщения: 111
Имя: Константин
Техника: Yamaha VX1100 SPORT
Благодарил (а): 18 раз Поблагодарили: 2 раза
|
|
к тому же прокладки на коллекторе и соединителях металлические, то есть, есть возможность использовать их еще раз.
|
|
| Вернуться к началу |
|
 |
|
Anatoliy11
|
|
| Не в сети |
| Контр-адмирал |
 |
Зарегистрирован: 30 июн 2016, 09:13 Сообщения: 2628
Имя: Анатолий
Техника: Мотороллер с фаркопом
Откуда: Харьков обл.
Благодарил (а): 30 раз Поблагодарили: 156 раз
|
Ну кто поржал, тот сам себя выставил Зима длинная, заработаешь на новые прокладки а так под себя смелого можно и мазнуть рензолином герметиком.имхо. Состояние твоего... да какая разница он куплен) для своей цели!!
_________________ "Лучше пару раз по разу:- чем ни разу много раз")) настройка карбюраторов ссылка нижеhttp://www.pwctoday.com/showthread.php?t=62278
|
|
| Вернуться к началу |
|
 |
|
igor sea-doo
|
|
| Не в сети |
| Адмирал флота |
 |
Зарегистрирован: 07 авг 2015, 10:53 Сообщения: 6377
Имя: igor
Техника: ветерок 12
Откуда: Krasnodar city
Благодарил (а): 105 раз Поблагодарили: 168 раз
|
Anatoliy11 писал(а): Ну кто поржал, тот сам себя выставил Зима длинная, заработаешь на новые прокладки а так под себя смелого можно и мазнуть рензолином герметиком.имхо. Состояние твоего... да какая разница он куплен) для своей цели!! Толян у тебя то же такие стоят..?
Последний раз редактировалось igor sea-doo 21 авг 2019, 02:00, всего редактировалось 1 раз.
|
|
| Вернуться к началу |
|
 |
|
igor sea-doo
|
|
| Не в сети |
| Адмирал флота |
 |
Зарегистрирован: 07 авг 2015, 10:53 Сообщения: 6377
Имя: igor
Техника: ветерок 12
Откуда: Krasnodar city
Благодарил (а): 105 раз Поблагодарили: 168 раз
|
Юрец Панда писал(а): Тут вопрос, про аноды в моторе или на водомёте-плите шла речь? В моторе они стоят как на фото, но на 2т, на 4т могут стоять и в/на моторе и на плите. Но конечно у каждой модели по разному. И ещё интересно куда пропали эти советчики с ниппелями? Ушли мануалы и физику с химией изучать? Так Вам будет полезно! Советуя или высмеивая что то, подумайте не чайник ли Вы!  на 4т в гидре на плите и на доме водомёта.на катере бомбер то же.про катера с 4т мотами люди поправят(думаю там же).а на гидре 2т брп их нет!поэтому и жарит яму постоянно!))))при чём любую.  271001487-анод на плите брп,анод над нижнем ухом дома.
| Вложения: |
![20190822_070749[1].jpg](./download/file.php?id=30289&t=1&sid=a6bcd9af25887c840b59460274c225d9)
20190822_070749[1].jpg [ 989.09 КБ | 6802 просмотра ]
|
Последний раз редактировалось igor sea-doo 22 авг 2019, 07:23, всего редактировалось 3 раза.
|
|
| Вернуться к началу |
|
 |
|
Anatoliy11
|
|
| Не в сети |
| Контр-адмирал |
 |
Зарегистрирован: 30 июн 2016, 09:13 Сообщения: 2628
Имя: Анатолий
Техника: Мотороллер с фаркопом
Откуда: Харьков обл.
Благодарил (а): 30 раз Поблагодарили: 156 раз
|
igor sea-doo писал(а): Anatoliy11 писал(а): Толян у тебя то же такие стоят..? Привет Игорь! Згнил нахрен)) я и не парюсь, обманку текстолит запилил, вроде как пишут циркуляцию в цилиндрах как то направляет, хз. нах он тогда такой фигурный. Промывяю после катух не ленюсь)! Всё чисто и не жарит))) 55°-60° потолок на любых режимах.
_________________ "Лучше пару раз по разу:- чем ни разу много раз")) настройка карбюраторов ссылка нижеhttp://www.pwctoday.com/showthread.php?t=62278
Последний раз редактировалось Anatoliy11 22 авг 2019, 06:07, всего редактировалось 1 раз.
|
|
| Вернуться к началу |
|
 |
Кто сейчас на конференции |
Сейчас этот форум просматривают: нет зарегистрированных пользователей и 5 гостей |
|
|
Вы не можете начинать темы Вы не можете отвечать на сообщения Вы не можете редактировать свои сообщения Вы не можете удалять свои сообщения Вы не можете добавлять вложения
|
|