Меню |
|---|
Реклама |
|---|
Активные участники |
|---|
Часы |
|---|
Поиск |
|---|
Ссылка на наш сайт |
|---|
Кто сейчас на конференции |
|---|
Всего 2 посетителя :: 0 зарегистрированных, 0 скрытых и 2 гостя
Сейчас этот форум просматривают: нет зарегистрированных пользователей и 2 гостя |
Ссылки |
|---|
|
|
Andman
|
|
| Не в сети |
| Главком флота |
 |
Зарегистрирован: 31 июл 2008, 14:48 Сообщения: 3381
Имя: Андрей
Техника: Yamaha Super Jet
Откуда: Москва
Благодарил (а): 7 раз Поблагодарили: 1 раз
|
|
| Вернуться к началу |
|
 |
|
fatra3x
|
|
| Не в сети |
| Капитан 2 ранга |
 |
Зарегистрирован: 29 сен 2009, 12:54 Сообщения: 2296
Имя: Александр
Техника: {PXP-255 RS} {KIA OPTIMA} {KIA CERATO} {Нептун + SUZUKI DT70} {Не большой завод :) }
Откуда: Сергиев Посад
Поблагодарили: 1 раз
|
Andman";p="5452 писал(а):
и мне еще дали лицензию на гладкий ствол, кой я и прикупил по случаю за копейки  смазал прочистил, детские болезни довел до ума, и теперь владею 5 зарядным полуавтоматом 12к с откатным стволом  и мне еще теперь в магазине на слова "дайте банку пороха!!!!" не отказывают
Шокер в основном - чтоб не сидеть без дела, при том что практически все запчасти есть дома, от старых компов, техники и тд...
тут надо мозг ломать как и че делать, расчитывать, эксперементировать.... ну и на выходе можно получить разное.
А что именно надо определиться, вот вчера например получил искровой пробой на 10 см, в киловольтах скока это я даже не знаю..... до этого эксперименты с другим первичным преобразователем дали дугу с частотой герц 50-80 на 3 см, но с дикой силой тока! так вот надо понять что мне надо и спаять правильно. +надо смотать новый преобразовательный трансформатор.
Есть третий более травматичный вариант. Зарядка конденсаторов на 100-500 мкф х 300 вольт. В джоулях это до куя! и бить им можно тока по рукам и ногам - в остальные места летально + надо пробить до до контакта с кожей. но думаю слишком не гуманно к "скотине" пади еще инвалидом оставишь...
_________________ Я ремонтирую водометы, нагнетатели, турбины, заменяю ремкомплекты. ТО + консервация двигателей гидров, катеров, яхт. Заправка авто кондиционеров. В ПМ! 
|
|
| Вернуться к началу |
|
 |
|
Дамир
|
|
| Не в сети |
| Главный старшина |
 |
Зарегистрирован: 19 ноя 2009, 12:23 Сообщения: 673
Откуда: Московская обл.
|
Во мля Санек!  Кулибин блин!
_________________ Жизнь имеет только тот смысл, который мы ей придаем.
|
|
| Вернуться к началу |
|
 |
|
fatra3x
|
|
| Не в сети |
| Капитан 2 ранга |
 |
Зарегистрирован: 29 сен 2009, 12:54 Сообщения: 2296
Имя: Александр
Техника: {PXP-255 RS} {KIA OPTIMA} {KIA CERATO} {Нептун + SUZUKI DT70} {Не большой завод :) }
Откуда: Сергиев Посад
Поблагодарили: 1 раз
|
Дамир";p="5481 писал(а): Во мля Санек!  Кулибин блин!
Да вы че! в нете же все естЬ, у меня просто все по запчастям валяетцо, а в воедино собрать пока толком времени нет.
такая полезная весчь... можно домофоны выжигать на раз 
_________________ Я ремонтирую водометы, нагнетатели, турбины, заменяю ремкомплекты. ТО + консервация двигателей гидров, катеров, яхт. Заправка авто кондиционеров. В ПМ! 
|
|
| Вернуться к началу |
|
 |
|
hper2
|
|
| Не в сети |
| Старшина 1 статьи |
 |
Зарегистрирован: 13 май 2009, 01:03 Сообщения: 477
Откуда: Звенигород
|
|
Со скотиной - по скотски.
_________________ быстрая личка 7-903-1375307
|
|
| Вернуться к началу |
|
 |
|
fatra3x
|
|
| Не в сети |
| Капитан 2 ранга |
 |
Зарегистрирован: 29 сен 2009, 12:54 Сообщения: 2296
Имя: Александр
Техника: {PXP-255 RS} {KIA OPTIMA} {KIA CERATO} {Нептун + SUZUKI DT70} {Не большой завод :) }
Откуда: Сергиев Посад
Поблагодарили: 1 раз
|
hper2";p="5550 писал(а): Со скотиной - по скотски.
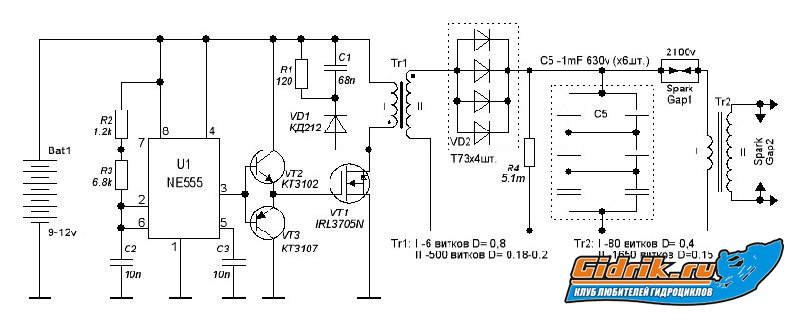
Ладно собак убивать зарядами в 300 джоулей (у пули ПМа 120 если память не изменяет), а как челавекаф? таким зарядом точно остановит на раз... правда как тока сегодня на лекции БЖД! млять! инженер АСУ называеться! проходили как делать массажи дыхания.. и тд... манекен ломали  Человекаф надо бить высоким напряжением с небольшой силой тока- судороги мышц - это болезнно! не не смертельно, насколько болезненно в данном вопросе решает ток на выходе последнего преобразователя.....
Например есть посложнее на таймере и бибазовом открытии полевика на первичном проебразователе..
Либо попроще на автоколебательном транзисторно-трансворматорном контуре... Я пробовал сначала мелкий. Все зависит от трансформатора, на разных кольцах мотал с разными витками и методами намотки, один транс выдает 190в в частоте около 2000мгц. другой выдает 1200 вольт и более на частоте 2800 мгц. Что в принцепе вполне достаточно для накачки полярного конденсатора до 200в, или бесполярного до 1200 и "пробоя в пробойнике"....
так что пока забил, надо мотать еще один трансформатор среднее меджу этими двумя. соотношение такое.
на входе 7,2в - 2 акума.
на выходе 250-300в.
Первичная обмотка 8 витков 0,8 провода.
Вторичная = 300\7,2*8=333 витка на вторичной обмотке.
Вторичную обмотку кладут первым слоем распределяя равномерно все витки по магнитопроводу (кольцо от трансформатора из блока питания АТХ).
Затем изолятор -в нашем случае до 300в. подойдет скотч изолента.
Затем 8 витков по всей длинне магнитопровода-кольца.
Если для схемы с 2 транзисторами - без таймерную то обмоток 2 по 8витков - коллекторные - нагрузочные и 2 по 7 базовые для самоиндуктивного автоколебательного возбуждения открытия транзисторов.
как видите смотать такой транс не на пульте кнопку нажать, надо ввозитца....
| Вложения: |

shok1.gif [ 24.22 КБ | 10336 просмотров ]
|

2552659.jpg [ 93.44 КБ | 7629 просмотров ]
|
_________________ Я ремонтирую водометы, нагнетатели, турбины, заменяю ремкомплекты. ТО + консервация двигателей гидров, катеров, яхт. Заправка авто кондиционеров. В ПМ! 
|
|
| Вернуться к началу |
|
 |
|
fatra3x
|
|
| Не в сети |
| Капитан 2 ранга |
 |
Зарегистрирован: 29 сен 2009, 12:54 Сообщения: 2296
Имя: Александр
Техника: {PXP-255 RS} {KIA OPTIMA} {KIA CERATO} {Нептун + SUZUKI DT70} {Не большой завод :) }
Откуда: Сергиев Посад
Поблагодарили: 1 раз
|
Пока эксперементировал узнал что китайские конденсаторы не выдерживают высокой частоты  пара из них взорвалась
Причем что характерно в цепи питания - т.е там напряжение больше 7,5 вольт не поднимаеться...
зато каждый взрыв - и куча ПАУТИНЫ на столе 
| Вложения: |

DSC01014.JPG [ 1.93 МБ | 7616 просмотров ]
|
_________________ Я ремонтирую водометы, нагнетатели, турбины, заменяю ремкомплекты. ТО + консервация двигателей гидров, катеров, яхт. Заправка авто кондиционеров. В ПМ! 
|
|
| Вернуться к началу |
|
 |
|
hper2
|
|
| Не в сети |
| Старшина 1 статьи |
 |
Зарегистрирован: 13 май 2009, 01:03 Сообщения: 477
Откуда: Звенигород
|
|
_________________ быстрая личка 7-903-1375307
|
|
| Вернуться к началу |
|
 |
|
Buch
|
|
| Не в сети |
| Модельер по экипу |
 |
Зарегистрирован: 24 янв 2009, 21:09 Сообщения: 2234
Имя: Алексей
Техника: BRP
Откуда: Москва
Поблагодарили: 1 раз
|
fatra3x";p="5903 писал(а): Пока эксперементировал узнал что китайские конденсаторы не выдерживают высокой частоты  пара из них взорвалась  зато каждый взрыв - и куча ПАУТИНЫ на столе 
Зато мля дешево стоят! Пипец, хоть каждый день покупай! Саня, смотри в спайдермэна не превратись! 
_________________ Родился сам - помоги другому.
|
|
| Вернуться к началу |
|
 |
Кто сейчас на конференции |
Сейчас этот форум просматривают: нет зарегистрированных пользователей и 2 гостя |
|
|
Вы не можете начинать темы Вы не можете отвечать на сообщения Вы не можете редактировать свои сообщения Вы не можете удалять свои сообщения Вы не можете добавлять вложения
|
|