Меню |
|---|
Реклама |
|---|
Активные участники |
|---|
Часы |
|---|
Поиск |
|---|
Ссылка на наш сайт |
|---|
Кто сейчас на конференции |
|---|
Всего 16 посетителей :: 0 зарегистрированных, 0 скрытых и 16 гостей
Сейчас этот форум просматривают: нет зарегистрированных пользователей и 16 гостей |
Ссылки |
|---|
|
| Автор |
Сообщение |
|
Алексей_63
|
|
Зарегистрирован: 18 апр 2010, 20:54 Сообщения: 2
|
|
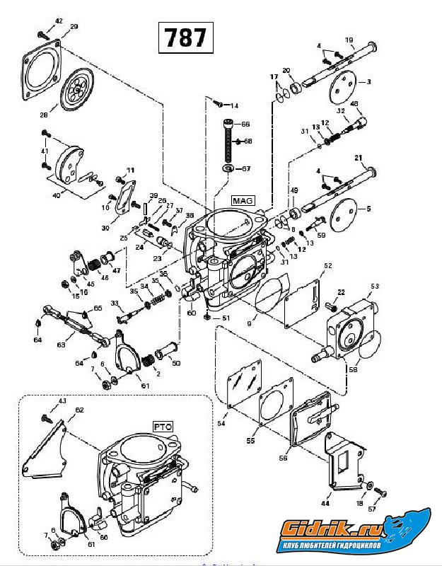
Доброго всем времени суток!
Очень нужна Ваша помощь по настройке карбюраторов на моем агрегате.
Интересует назначение и правильное положение регулировочных винтов 32 и 33.
Всю весну занимамалься регулировкой, но результат один и тот же: на холодную заводится очень хреново! Облазил кучу сайтов, но никакой инфы по этому поводу не нашел. Вся надежда на Вас!
Расчитываю на Вашу помощь! Заранее всем спасибо!
| Вложения: |

карбы.JPG [ 217.95 КБ | 6907 просмотров ]
|
|
|
| Вернуться к началу |
|
 |
|
RR1
|
|
| Не в сети |
| Главный старшина |
Зарегистрирован: 30 окт 2008, 01:20 Сообщения: 519
Техника: SJ-800 RXP-215, Tige20i, RiverJet2.7, Чайка
Откуда: Уфа
|
Читай про mikuni BN и sBN либо о Keihin
инфы много карбы без поплавковые, со свободно падающим потоком... регулировок не много... всё в общем, просто, но ознакомься предварительно с http://www.groupk.com много инфы по регулировкам карбов во вкладке ямахи
а вообще маловато инфы ! что за техника (или какие карбы и сколько их, ТТХ ДВС и т.п.) GTX1996 это очень как-то далеко...

_________________ Проживем жизнь так, чтоб на небесах Все ОБАЛДЕЛИ, а когда придет время оказаться там... - попросили ПОВТОРИТЬ! 
|
|
| Вернуться к началу |
|
 |
|
fatra3x
|
|
| Не в сети |
| Капитан 2 ранга |
 |
Зарегистрирован: 29 сен 2009, 12:54 Сообщения: 2296
Имя: Александр
Техника: {PXP-255 RS} {KIA OPTIMA} {KIA CERATO} {Нептун + SUZUKI DT70} {Не большой завод :) }
Откуда: Сергиев Посад
Поблагодарили: 1 раз
|
Уууу... регилировать по хорошему надо....
газоанализатор, +синхрометр.....
Настройка смеси на ХХ крайне муторное занятие. Настройка РХ уже веселее.
Если вам нестерпеж крутите  скоро свой апарат спускаю на воду и начинаю настраивать 
_________________ Я ремонтирую водометы, нагнетатели, турбины, заменяю ремкомплекты. ТО + консервация двигателей гидров, катеров, яхт. Заправка авто кондиционеров. В ПМ! 
|
|
| Вернуться к началу |
|
 |
|
Алексей_63
|
|
Зарегистрирован: 18 апр 2010, 20:54 Сообщения: 2
|
Спасибо всем за участие!
С карбами вроде бы разобрался, отрегулировал!
Сегодня спускал на воду!!!!!!!!!!
Теперь другой вопрос - на холодную заводится не очень. Только с подсосом и выжатым газом...

|
|
| Вернуться к началу |
|
 |
|
RR1
|
|
| Не в сети |
| Главный старшина |
Зарегистрирован: 30 окт 2008, 01:20 Сообщения: 519
Техника: SJ-800 RXP-215, Tige20i, RiverJet2.7, Чайка
Откуда: Уфа
|
Следи за свечами!!! хороший такой "бытовой" индикатор правильности работы карбюраторов
Если заводиться, держит холостые, прекрасно тянет, не перегревается, свечи "кирпич" - наслаждайся !!! 
_________________ Проживем жизнь так, чтоб на небесах Все ОБАЛДЕЛИ, а когда придет время оказаться там... - попросили ПОВТОРИТЬ! 
|
|
| Вернуться к началу |
|
 |
|
RR1
|
|
| Не в сети |
| Главный старшина |
Зарегистрирован: 30 окт 2008, 01:20 Сообщения: 519
Техника: SJ-800 RXP-215, Tige20i, RiverJet2.7, Чайка
Откуда: Уфа
|
|
Белые ?!?!?
Брат, катаясь по долгу на "тапке ф пол", "белые свечи" могут подарить прогар поршня, как следствие перегрева из-за бедной смеси... обогащай смесь !!!
...или пригласи диагноста диагноста ВОТ !:)
_________________ Проживем жизнь так, чтоб на небесах Все ОБАЛДЕЛИ, а когда придет время оказаться там... - попросили ПОВТОРИТЬ! 
|
|
| Вернуться к началу |
|
 |
|
fatra3x
|
|
| Не в сети |
| Капитан 2 ранга |
 |
Зарегистрирован: 29 сен 2009, 12:54 Сообщения: 2296
Имя: Александр
Техника: {PXP-255 RS} {KIA OPTIMA} {KIA CERATO} {Нептун + SUZUKI DT70} {Не большой завод :) }
Откуда: Сергиев Посад
Поблагодарили: 1 раз
|
RR1";p="8035 писал(а): Белые ?!?!? Брат, катаясь по долгу на "тапке ф пол", "белые свечи" могут подарить прогар поршня, как следствие перегрева из-за бедной смеси... обогащай смесь !!! ...или пригласи диагноста диагноста ВОТ !:) После пропила последнего не гладел на свечки. должны быть с нагаром. буду поближе к катеру еще разок гляну. обогатить не проблема....
проблема потом чтоб все 3 работали одинаково по смеси.
_________________ Я ремонтирую водометы, нагнетатели, турбины, заменяю ремкомплекты. ТО + консервация двигателей гидров, катеров, яхт. Заправка авто кондиционеров. В ПМ! 
|
|
| Вернуться к началу |
|
 |
Кто сейчас на конференции |
Сейчас этот форум просматривают: нет зарегистрированных пользователей и 16 гостей |
|
|
Вы не можете начинать темы Вы не можете отвечать на сообщения Вы не можете редактировать свои сообщения Вы не можете удалять свои сообщения Вы не можете добавлять вложения
|
|