Меню |
|---|
Реклама |
|---|
Активные участники |
|---|
Часы |
|---|
Поиск |
|---|
Ссылка на наш сайт |
|---|
Кто сейчас на конференции |
|---|
Всего 5 посетителей :: 0 зарегистрированных, 0 скрытых и 5 гостей
Сейчас этот форум просматривают: нет зарегистрированных пользователей и 5 гостей |
Ссылки |
|---|
|
|
igor sea-doo
|
|
| Не в сети |
| Адмирал флота |
 |
Зарегистрирован: 07 авг 2015, 10:53 Сообщения: 6376
Имя: igor
Техника: ветерок 12
Откуда: Krasnodar city
Благодарил (а): 105 раз Поблагодарили: 168 раз
|
markus писал(а): здравствуйте. ну не как не дойду куда цепляется шланг от рейв клапана , где стоит chek valve , схемотично не понятно. и второй ворос : на штуцер копрессора какой шланг одевается ? (указал стрелкой) в парткаталогах этого нет , до дыр досмотрел.   если не изменяет память,в борт под привальником.
|
|
| Вернуться к началу |
|
 |
|
slavtol
|
|
| Не в сети |
| Главный старшина |
Зарегистрирован: 14 май 2016, 20:57 Сообщения: 587
Имя: Анатолий
Техника: sea doo xp 947di Yamaha vxs 1800
Откуда: Славянск-на-Кубани
Благодарил (а): 5 раз Поблагодарили: 27 раз
|
|
Память изменяет,этот шланг крепится снизу к дроселю,проходит снизу мотора
|
|
| Вернуться к началу |
|
 |
|
igor sea-doo
|
|
| Не в сети |
| Адмирал флота |
 |
Зарегистрирован: 07 авг 2015, 10:53 Сообщения: 6376
Имя: igor
Техника: ветерок 12
Откуда: Krasnodar city
Благодарил (а): 105 раз Поблагодарили: 168 раз
|
|
точно изменяет.но не к дроселю а в картер.crankcase//-картер.я про шланг номер 54.
|
|
| Вернуться к началу |
|
 |
|
markus
|
|
Зарегистрирован: 15 май 2013, 10:20 Сообщения: 39
Имя: Марк
Техника: gts_717
Откуда: Звенигород
Благодарил (а): 1 раз Поблагодарили: 1 раз
|
|
разобрался. в картер там где штуцер для залива масла в балансирный вал. это просто сапун. а штуцер на компрессоре висит в воздухе , он даже не продувается всем спасибо.
|
|
| Вернуться к началу |
|
 |
|
igor sea-doo
|
|
| Не в сети |
| Адмирал флота |
 |
Зарегистрирован: 07 авг 2015, 10:53 Сообщения: 6376
Имя: igor
Техника: ветерок 12
Откуда: Krasnodar city
Благодарил (а): 105 раз Поблагодарили: 168 раз
|
markus писал(а): разобрался. в картер там где штуцер для залива масла в балансирный вал. это просто сапун. а штуцер на компрессоре висит в воздухе , он даже не продувается всем спасибо. верно.сапун.ещё через него можно долить масло в бал.вал.отсоединив шланг перед клапаном.
|
|
| Вернуться к началу |
|
 |
|
markus
|
|
Зарегистрирован: 15 май 2013, 10:20 Сообщения: 39
Имя: Марк
Техника: gts_717
Откуда: Звенигород
Благодарил (а): 1 раз Поблагодарили: 1 раз
|
|
нашёлся ещё один безхозный шланг.в мануалах и каталогах как обычно... подскажите кто знает .куда его натянуть ?
| Вложения: |

шланг.png [ 181.46 КБ | 7122 просмотра ]
|
|
|
| Вернуться к началу |
|
 |
|
markus
|
|
Зарегистрирован: 15 май 2013, 10:20 Сообщения: 39
Имя: Марк
Техника: gts_717
Откуда: Звенигород
Благодарил (а): 1 раз Поблагодарили: 1 раз
|
|
блин... наверное он идет на компрессор....вход воздуха.
|
|
| Вернуться к началу |
|
 |
|
markus
|
|
Зарегистрирован: 15 май 2013, 10:20 Сообщения: 39
Имя: Марк
Техника: gts_717
Откуда: Звенигород
Благодарил (а): 1 раз Поблагодарили: 1 раз
|
|
кто знает какой смысл этого шланга ?
| Вложения: |

смысл шланга.png [ 96.71 КБ | 7087 просмотров ]
|
|
|
| Вернуться к началу |
|
 |
|
Dr.Ort
|
|
| Не в сети |
| Капитан 2 ранга |
 |
Зарегистрирован: 03 июл 2013, 12:41 Сообщения: 2287
Имя: Евгений
Техника: XP DI 2003
Откуда: ДНР, Донецк
Благодарил (а): 2 раза Поблагодарили: 25 раз
|
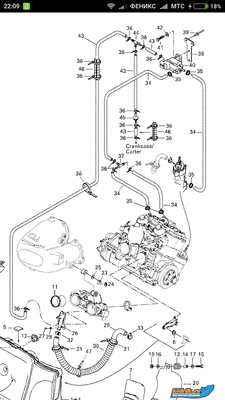
markus писал(а): блин... наверное он идет на компрессор....вход воздуха. Бинго! Как раз на тот штуцер из первого поста.
| Вложения: |

Screenshot_2019-06-19-22-11-35-285_com.android.chrome.png [ 1.9 МБ | 7047 просмотров ]
|

Screenshot_2019-06-19-22-09-22-229_com.android.chrome.png [ 588.19 КБ | 7047 просмотров ]
|
|
|
| Вернуться к началу |
|
 |
|
Dr.Ort
|
|
| Не в сети |
| Капитан 2 ранга |
 |
Зарегистрирован: 03 июл 2013, 12:41 Сообщения: 2287
Имя: Евгений
Техника: XP DI 2003
Откуда: ДНР, Донецк
Благодарил (а): 2 раза Поблагодарили: 25 раз
|
markus писал(а): кто знает какой смысл этого шланга ?  Циркуляция по рубашкам
|
|
| Вернуться к началу |
|
 |
Кто сейчас на конференции |
Сейчас этот форум просматривают: нет зарегистрированных пользователей и 5 гостей |
|
|
Вы не можете начинать темы Вы не можете отвечать на сообщения Вы не можете редактировать свои сообщения Вы не можете удалять свои сообщения Вы не можете добавлять вложения
|
|