Меню |
|---|
Реклама |
|---|
Активные участники |
|---|
Часы |
|---|
Поиск |
|---|
Ссылка на наш сайт |
|---|
Кто сейчас на конференции |
|---|
Всего 7 посетителей :: 0 зарегистрированных, 0 скрытых и 7 гостей
Сейчас этот форум просматривают: нет зарегистрированных пользователей и 7 гостей |
Ссылки |
|---|
|
| Автор |
Сообщение |
|
Anatoliy11
|
|
| Не в сети |
| Контр-адмирал |
 |
Зарегистрирован: 30 июн 2016, 09:13 Сообщения: 2628
Имя: Анатолий
Техника: Мотороллер с фаркопом
Откуда: Харьков обл.
Благодарил (а): 30 раз Поблагодарили: 156 раз
|
PafPi писал(а): Anatoliy11 писал(а): Или я чего то не понял! Вообще то там должны быть штифты)в них и замыкаются кольца)) на поршне есть стрелка она указывает на выхлоп. А штифты-(замки) между окнами стоят))) А читал ты скорей всего про компрессоры и где гильзы без окон!! Тогда все верно. Эти черные точки на фото и есть штифты. Всё ок. Спасибо! Не зачто! Дим ну ты и лентяяй(( - дочь помогает, давай и жену подключай) катать давно пора!!!)
_________________ "Лучше пару раз по разу:- чем ни разу много раз")) настройка карбюраторов ссылка нижеhttp://www.pwctoday.com/showthread.php?t=62278
|
|
| Вернуться к началу |
|
 |
|
PafPi
|
|
| Не в сети |
| Старшина 2 статьи |
 |
Зарегистрирован: 18 ноя 2013, 23:27 Сообщения: 128
Имя: Дмитрий
Техника: Yamaha Waveblaster WB700T Open 800
Откуда: Москва
Благодарил (а): 7 раз Поблагодарили: 4 раза
|
Anatoliy11 писал(а): Не зачто! Дим ну ты и лентяяй(( - дочь помогает, давай и жену подключай) катать давно пора!!!) Ох, и не говори....я б от помощи не отказался... явно переоценил свои силы на восстановление бластера. Думал за зиму все сделать, а в результате, дай бог за лето доделать.
|
|
| Вернуться к началу |
|
 |
|
Minin11
|
|
Зарегистрирован: 29 июн 2010, 14:41 Сообщения: 57
Имя: Александр
Техника: Rickter fs2 Super Jet Blaster
Откуда: Йошкар-Ола
|
|
Дмитрий если на фото поршня которые собираетесь ставить то на них явно видны следы от прихватов. Я тоже вчера с покраски забрал свой на днях в гараже все разгребу и начнем сборку. Верх покрасили полиуретановой эмалью получилось отлично говорят крепкая оч. Фотки неудобно заливать. Я тоже дочь привлек))) а так еще неделя и пора кататься у нас.
|
|
| Вернуться к началу |
|
 |
|
Minin11
|
|
Зарегистрирован: 29 июн 2010, 14:41 Сообщения: 57
Имя: Александр
Техника: Rickter fs2 Super Jet Blaster
Откуда: Йошкар-Ола
|
|
Дмитрий у вас прокладки мотора от 650 мотора на вид оин такие же только крепления в других местах. Я так уже обжигался.
|
|
| Вернуться к началу |
|
 |
|
PafPi
|
|
| Не в сети |
| Старшина 2 статьи |
 |
Зарегистрирован: 18 ноя 2013, 23:27 Сообщения: 128
Имя: Дмитрий
Техника: Yamaha Waveblaster WB700T Open 800
Откуда: Москва
Благодарил (а): 7 раз Поблагодарили: 4 раза
|
Minin11 писал(а): Дмитрий если на фото поршня которые собираетесь ставить то на них явно видны следы от прихватов. Да эти поршни. Насчет прихватов не уверен. задиров нет, пудры нет, кольца в отличном состоянии, компрессия в норме. местами сажа на поршня но это не изменение цвета из-за перегрева.... как еще проверить и что делать?
|
|
| Вернуться к началу |
|
 |
|
Anatoliy11
|
|
| Не в сети |
| Контр-адмирал |
 |
Зарегистрирован: 30 июн 2016, 09:13 Сообщения: 2628
Имя: Анатолий
Техника: Мотороллер с фаркопом
Откуда: Харьков обл.
Благодарил (а): 30 раз Поблагодарили: 156 раз
|
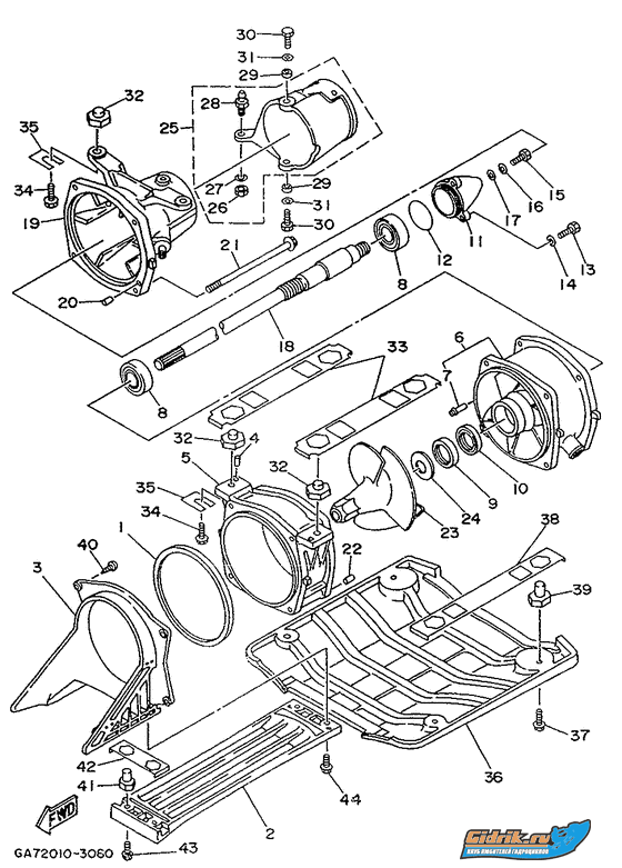
PafPi писал(а): Предыдущие хозяева сняли шпильки стягивающие водомет (номер 21 на схеме) и оставили себе. Вот думаю, как он без них не развалился??? и чем заменить???  Дим я на рынке подобрал, по моему с каких то пластиковых оконных систем=) только головка круглая и под большой крест! Резьбу обрезал.здесь есть фото viewtopic.php?f=45&t=10866&start=30
_________________ "Лучше пару раз по разу:- чем ни разу много раз")) настройка карбюраторов ссылка нижеhttp://www.pwctoday.com/showthread.php?t=62278
|
|
| Вернуться к началу |
|
 |
|
PafPi
|
|
| Не в сети |
| Старшина 2 статьи |
 |
Зарегистрирован: 18 ноя 2013, 23:27 Сообщения: 128
Имя: Дмитрий
Техника: Yamaha Waveblaster WB700T Open 800
Откуда: Москва
Благодарил (а): 7 раз Поблагодарили: 4 раза
|
|
| Вернуться к началу |
|
 |
|
petrycho
|
|
| Не в сети |
| Вице-адмирал |
 |
Зарегистрирован: 15 фев 2016, 21:13 Сообщения: 3034
Имя: Пётр
Техника: Sunbird Saturn-170. Jolion. Sea-Doo Spark. ПЛМ Салют-Э.
Откуда: Липецк
Благодарил (а): 88 раз Поблагодарили: 122 раза
|
|
когда на воду попрёшь?
_________________ Опыт, как и половое бессилие, приходит с годами. _____________________________________________________ 
|
|
| Вернуться к началу |
|
 |
|
PafPi
|
|
| Не в сети |
| Старшина 2 статьи |
 |
Зарегистрирован: 18 ноя 2013, 23:27 Сообщения: 128
Имя: Дмитрий
Техника: Yamaha Waveblaster WB700T Open 800
Откуда: Москва
Благодарил (а): 7 раз Поблагодарили: 4 раза
|
petrycho писал(а): когда на воду попрёшь? Уже перехотел не то что на воду, вообще заводить не хочу )))) Под вечер собрал корпус, правда, пока без движка...
| Вложения: |

P_20170625_203313.jpg [ 207.18 КБ | 5458 просмотров ]
|

P_20170625_203240.jpg [ 205.75 КБ | 5458 просмотров ]
|

P_20170625_203221.jpg [ 200.2 КБ | 5458 просмотров ]
|
|
|
| Вернуться к началу |
|
 |
|
Minin11
|
|
Зарегистрирован: 29 июн 2010, 14:41 Сообщения: 57
Имя: Александр
Техника: Rickter fs2 Super Jet Blaster
Откуда: Йошкар-Ола
|
|
Мопед отличный получился. Я тоже купил вынос руля и роль от велосипеда буду пристраивать на бластер. С мотором 760 возникли проблемы. Стандартный глушитель не встает крепления с другой стороны. Если в ближайшее время найдем Фактори пайп на бластер то мотор встанет. А пока похоже будет на новом катать.
|
|
| Вернуться к началу |
|
 |
|
PafPi
|
|
| Не в сети |
| Старшина 2 статьи |
 |
Зарегистрирован: 18 ноя 2013, 23:27 Сообщения: 128
Имя: Дмитрий
Техника: Yamaha Waveblaster WB700T Open 800
Откуда: Москва
Благодарил (а): 7 раз Поблагодарили: 4 раза
|
Minin11 писал(а): руль от велосипеда буду пристраивать на бластер. А у меня руль от велосипеда не подошёл, маловат оказался. Пришлось от мотика ставить.
|
|
| Вернуться к началу |
|
 |
|
ALEKS
|
|
| Не в сети |
| Главный корабельный старшина |
 |
Зарегистрирован: 14 фев 2012, 22:38 Сообщения: 721
Имя: Александр
Техника: vx-1200,xl-1200,rxx(250) строю...Rickter. SeaDoo rxp.YAMAHA superjet
Откуда: Омск
Благодарил (а): 1 раз Поблагодарили: 9 раз
|
Minin11 писал(а): Мопед отличный получился. Я тоже купил вынос руля и роль от велосипеда буду пристраивать на бластер. С мотором 760 возникли проблемы. Стандартный глушитель не встает крепления с другой стороны. Если в ближайшее время найдем Фактори пайп на бластер то мотор встанет. А пока похоже будет на новом катать. есть на бластера такой выхлоп
| Вложения: |

20170626_202058.jpg [ 1.34 МБ | 5376 просмотров ]
|
_________________ Запчасти на гидроциклы http://gidrikshop.ru/
|
|
| Вернуться к началу |
|
 |
Кто сейчас на конференции |
Сейчас этот форум просматривают: нет зарегистрированных пользователей и 7 гостей |
|
|
Вы не можете начинать темы Вы не можете отвечать на сообщения Вы не можете редактировать свои сообщения Вы не можете удалять свои сообщения Вы не можете добавлять вложения
|
|